Handleiding
Je bekijkt pagina 24 van 24

24
Appendix H (cont’d)
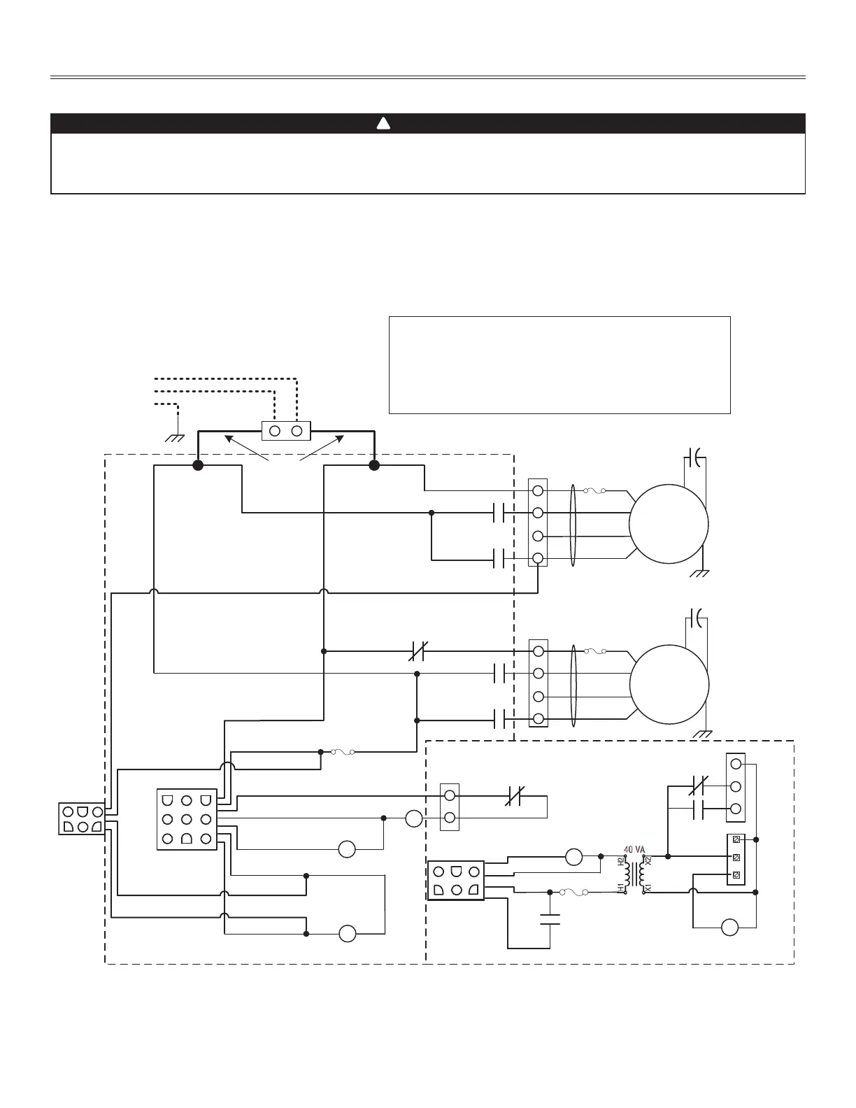
WIRING DIAGRAMS
COM
LOW
MED
HIGH
WH
R
BL
CN2
CN1
WHBK
LINE
NEUTRAL
120 VAC FIELD
WIRING
14 AWG
K1-1
K2-1
TP
M1
(Exhaust)
COM
LOW
MED
HIGH
WH
R
BL
BK/Y
CN3
K1-2
K2-2
TP
K3
J1.2
J1.3
R
R
CN4
K4
J1.4
J1.5
K2
J1.6
K1
R
WH/Y
O
BK
WH
K3
J1.9
BK/R
J1.8
CN5
J1
CN5.3
CN5.4
CN5.5
CN5.2
F1
CN5
F2
K5
K4
K4
CN6
X1
K5
K5
CN5.3
CN5.4
CN5.5
BK/R
WH/R
BK
BK/Y
CN5.2
R
WH
BL
R
O
WH/BL
R
BK
BK/Y
M2
(Supply)
Main Electrical Enclosure Remote Electrical Enclosure (Recirc.)
G/Y
G/Y
G
GND
B6LC, B12LC - Recirculation Defrost - Normal Low Speed (cont’d)
BK
BK/R
BK/Y
BL
BN
G
G/Y
O
R
WH
WH/BL
WH/R
WH/Y
Y
BLACK
BLACK/RED
BLACK/YELLOW
BLUE
BROWN
GREEN
GREEN/YELLOW
ORANGE
RED
WHITE
WHITE/BLUE
WHITE/RED
WHITE/YELLOW
YELLOW
WIRING COLOR CODE
LOGIC DIAGRAM
BN
BN
BN
BN
Ref: 1107007_REV-A
VE0471A
5
6
4
2
3
1
123
456
9 78
5
6
4
2
3
1
BK
BK
C
R
G
WH
WH
WH
WH
BK
BK
BK
BK
BK
BK
BK
BK
BK/R
WH/R
BK/R
BK/Y
1
2
3
4
1
2
3
4
1
2
1
2
3
2
1
WARNING
• Risk of electric shocks. Before performing any maintenance or servicing, always disconnect the unit from its power source.
• This product is equipped with an overload protection (fuse). A blown fuse indicates an overload or a short-circuit situation.
If the fuse blows, disconnect the unit from its power source. Discontinue using the unit and contact technical support.
!
Bekijk gratis de handleiding van Broan B6LCEPSN, stel vragen en lees de antwoorden op veelvoorkomende problemen, of gebruik onze assistent om sneller informatie in de handleiding te vinden of uitleg te krijgen over specifieke functies.
Productinformatie
Merk | Broan |
Model | B6LCEPSN |
Categorie | Airco |
Taal | Nederlands |
Grootte | 3451 MB |