Handleiding
Je bekijkt pagina 35 van 80

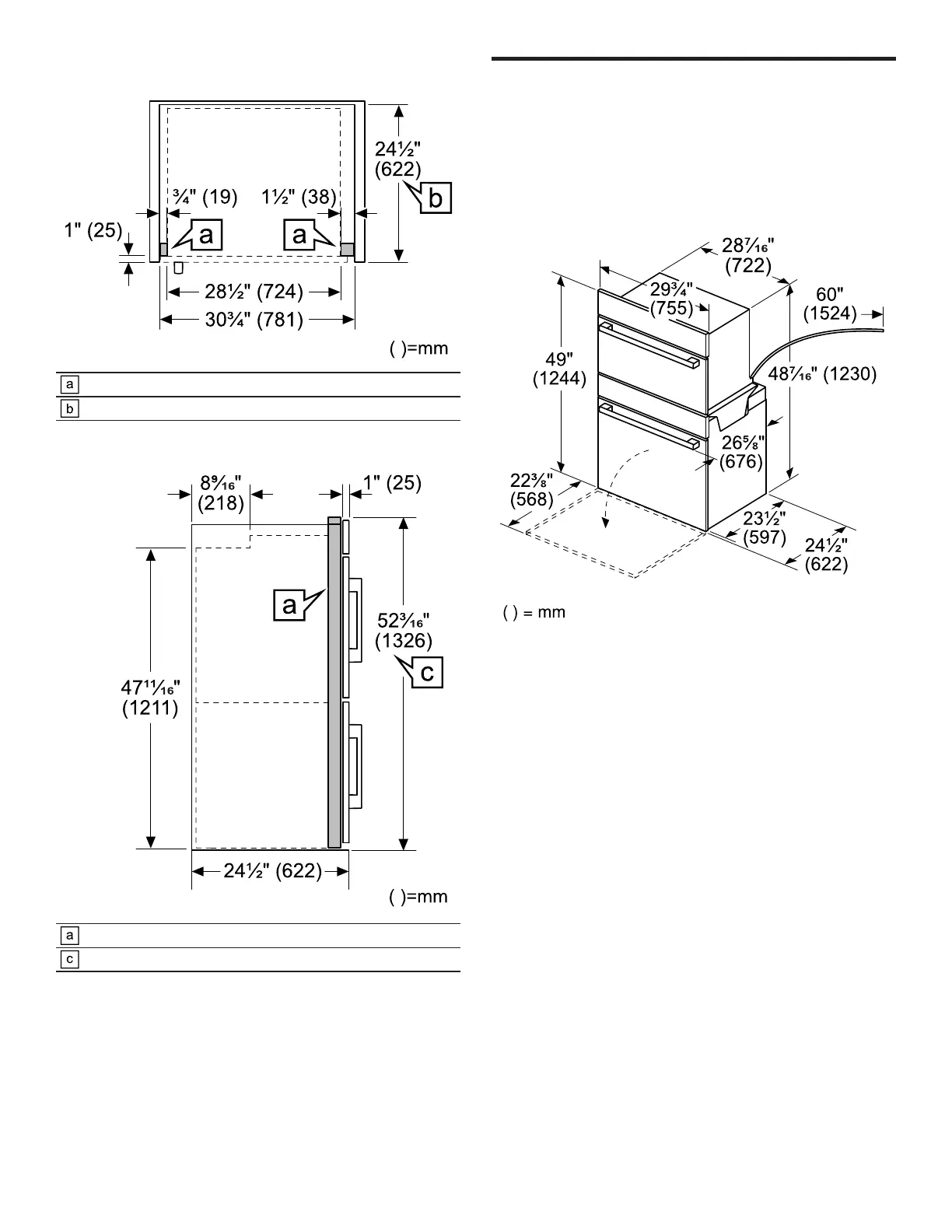
Dimensions du four combiné de 30po fr-ca
35
Vue de dessus porte battante droite
Bordure de cadre
Profondeur intérieure en affleurement
Vue latérale (représentative)
Bordure de cadre
Hauteur de découpe affleurante
Dimensions du four combiné de 30po
7 Dimensions du four combiné de
30po
Dimensions du four combiné de 30po
Lisez ici les dimensions de l'appareil et de l'armoire des
fours combinés de 30po.
7.1 Dimensions de l'appareil à four combiné
de 30po
Bekijk gratis de handleiding van Bosch HBLP651LSS, stel vragen en lees de antwoorden op veelvoorkomende problemen, of gebruik onze assistent om sneller informatie in de handleiding te vinden of uitleg te krijgen over specifieke functies.
Productinformatie
Merk | Bosch |
Model | HBLP651LSS |
Categorie | Oven |
Taal | Nederlands |
Grootte | 9872 MB |