Bolin Technology FEX-SN-M02202021 handleiding
Handleiding
Je bekijkt pagina 17 van 39

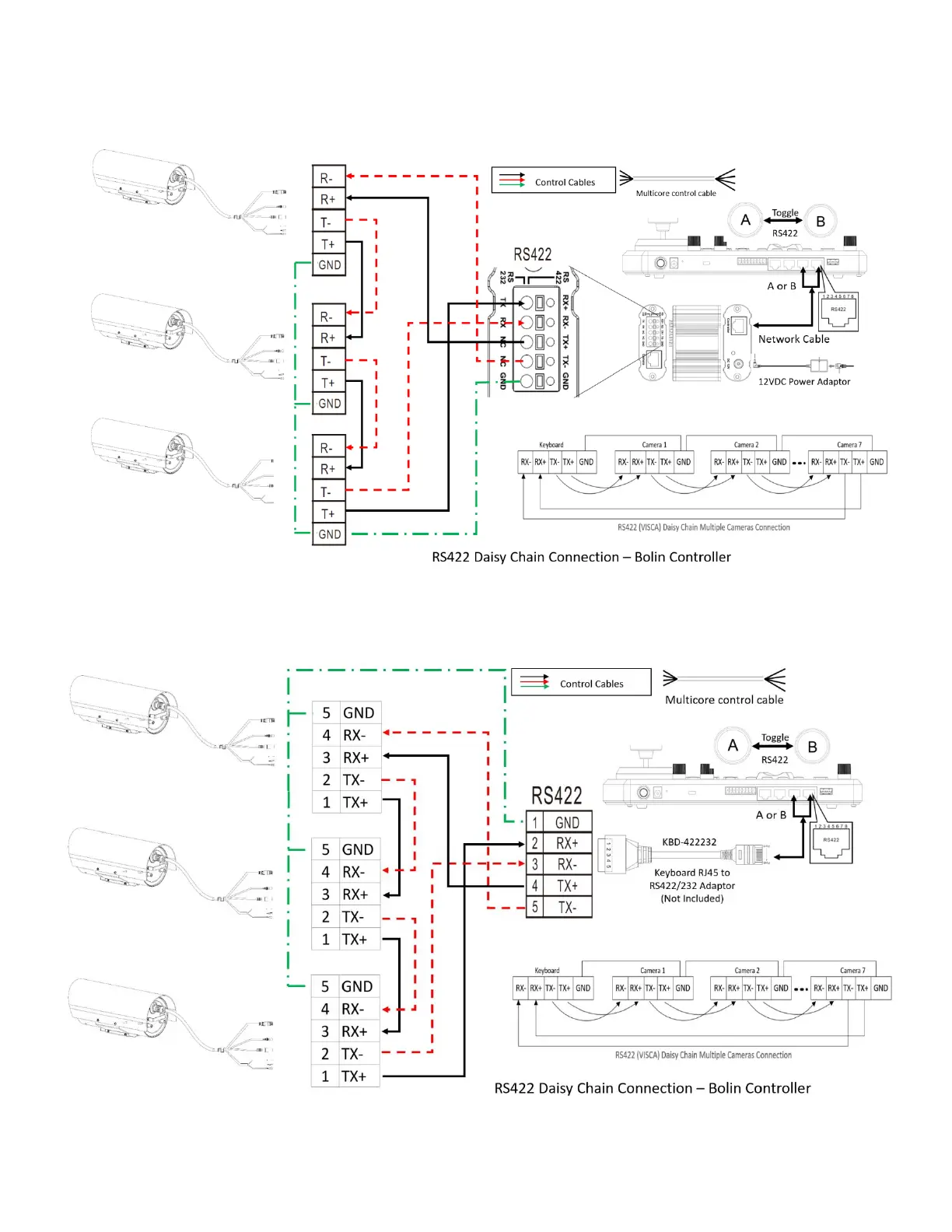
2. How to make RS422 Daisy Chain multiple camera connection with Bolin KBD-1010 controller as below or refer to Bolin KBD-
1010 user guide
a. RS422 Daisy Chain connection, use Junction Box connection
b. RS422 Daisy Chain connection using RJ45 to Phoenix connector adaptor (Not Included, sold
separately)
Bekijk gratis de handleiding van Bolin Technology FEX-SN-M02202021, stel vragen en lees de antwoorden op veelvoorkomende problemen, of gebruik onze assistent om sneller informatie in de handleiding te vinden of uitleg te krijgen over specifieke functies.
Productinformatie
| Merk | Bolin Technology |
| Model | FEX-SN-M02202021 |
| Categorie | Bewakingscamera |
| Taal | Nederlands |
| Grootte | 8193 MB |







