Bolin Technology BC-9-4K12S-S6MN handleiding
Handleiding
Je bekijkt pagina 31 van 62

31
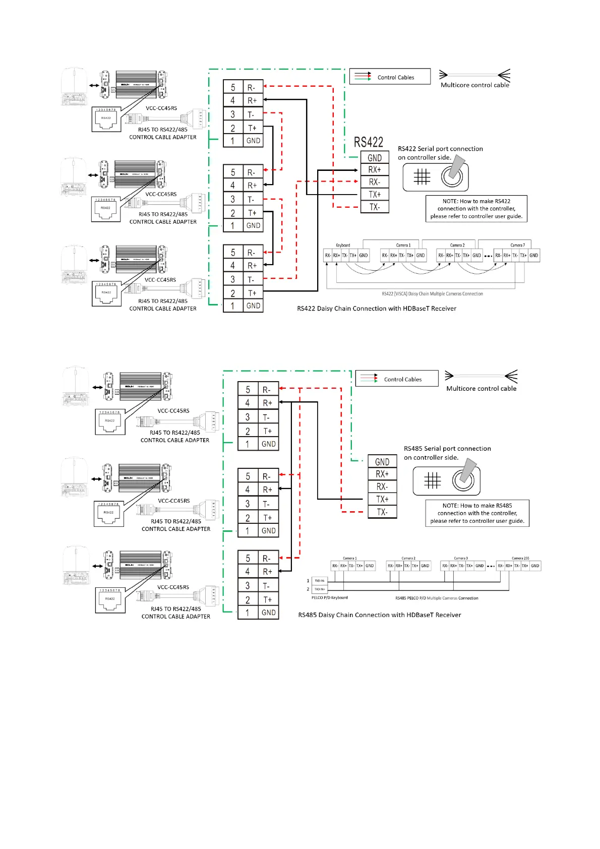
3. RS422 Daisy Chain multiple camera connection via HDBaseT receivers:
4. RS485 Daisy Chain multiple camera connection via HDBaseT receivers:
Operating Multiple Cameras Using RS-422/485
• Using RS-422 (VISCA), you can connect up to 7 cameras.
• Using RS-485 (PELCO), you can connect up to 255 cameras.
• Using RS-485 (PELCO), all camera addresses must be set up before the connection. You can set the
camera address by operating OSD menu, or by setting the Dip Switch on the bottom of the camera.
• In this case, you can use multiple control keyboards.
• The joystick of the remote keyboard controller allows comfortable pan/tilt and zoom operations.
Bekijk gratis de handleiding van Bolin Technology BC-9-4K12S-S6MN, stel vragen en lees de antwoorden op veelvoorkomende problemen, of gebruik onze assistent om sneller informatie in de handleiding te vinden of uitleg te krijgen over specifieke functies.
Productinformatie
| Merk | Bolin Technology |
| Model | BC-9-4K12S-S6MN |
| Categorie | Niet gecategoriseerd |
| Taal | Nederlands |
| Grootte | 12196 MB |