Beverage-Air VueMax VMHCSL-18-1-B handleiding

23 pagina's
PDF beschikbaar

Handleiding

Je bekijkt pagina 18 van 23
User Manual for VM Refrigerators Beverage-Air
Rev. 04/25Beverage-Air18
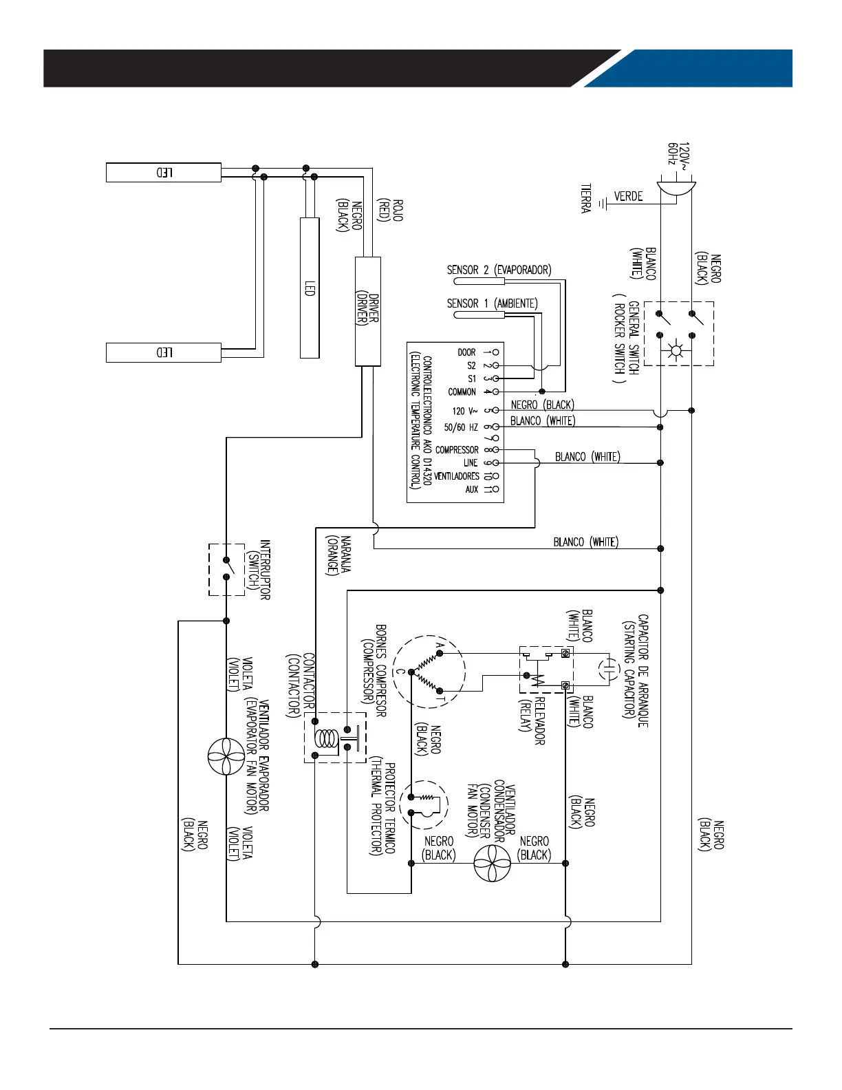
FOR THE SERVICE TECH - WIRING DIAGRAM - VMHC-7

Bekijk gratis de handleiding van Beverage-Air VueMax VMHCSL-18-1-B, stel vragen en lees de antwoorden op veelvoorkomende problemen, of gebruik onze assistent om sneller informatie in de handleiding te vinden of uitleg te krijgen over specifieke functies.

Productinformatie

MerkBeverage-Air
ModelVueMax VMHCSL-18-1-B
CategorieNiet gecategoriseerd
TaalNederlands
Grootte2980 MB