Beverage-Air Vista FB12HC-1S handleiding
Handleiding
Je bekijkt pagina 22 van 25

User Manual for FB Freezers Beverage-Air
Rev. 04/25Beverage-Air22
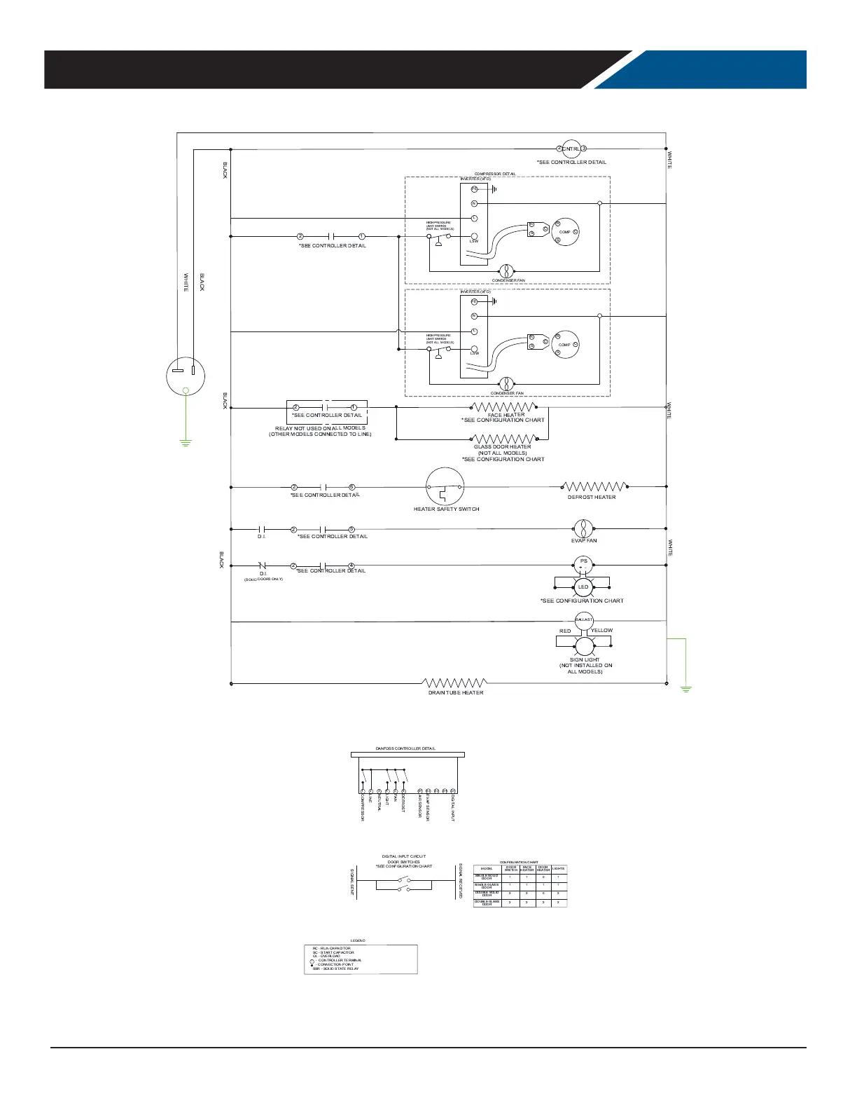
FOR THE SERVICE TECH - WIRING DIAGRAM FOR VSC MODELS
0123ÿ567869ÿ3ÿ55ÿ322231ÿ223623
ÿ !"#$%&!''
()*ÿ,-.ÿ/.*012.ÿ,.2-ÿ3ÿ41*156ÿ7186*89ÿ()*ÿ0/2ÿ9)7.:/
;<==ÿ?@ABCDEFGHC@Aÿ?IGFH
JKCK
L<@MCJÿJ@@F<ÿ@AMNO
;<==ÿ?@ABCDEFGHC@Aÿ?IGFH
;<==ÿ?@ABCDEFGHC@Aÿ?IGFH
PICH=
QMG?R
=SGTÿBGA
<CDAÿMCDIH
ÿLA@HÿCA<HGMM=Jÿ@A
GMMÿU@J=M<O
BG?=ÿI=GH=F
DMG<<ÿJ@@FÿI=GH=F
LA@HÿGMMÿU@J=M<O
;<==ÿ?@AHF@MM=FÿJ=HGCM
;<==ÿ?@AHF@MM=FÿJ=HGCM
;<==ÿ?@AHF@MM=FÿJ=HGCM
JKCK
N=MM@P
F=J
QGMMG<H
JFGCAÿHEQ=ÿI=GH=F
Z
[
X
X
M=J
\
]
T<
V
X
J=BF@<HÿI=GH=F
QMG?R
PICH=
X
W
?AHFM
QMG?R
PICH=
Y
F?ÿ\ÿFEAÿ?GT
<?ÿ\ÿ<HGFHÿ?G
@Mÿ\ÿ@S=FM@G
ÿÿÿ\ÿÿ?@AHF@MM
ÿÿÿ\ÿ?@AA=?HC
<<Fÿ\ÿ<@MCJÿ<
;<==ÿ?@AHF@MM=FÿJ=HGCM
QMG?R
PICH=
I=GH=Fÿ<GB=HNÿ<PCH?I
X
;<==ÿ?@AHF@MM=FÿJ=HGCM
Y
F=MGNÿA@HÿE<=Jÿ@AÿGMMÿU@J=M<
L@HI=FÿU@J=M<ÿ?@AA=?H=JÿH@ÿMCA=O
X
Y
;<==ÿ?@AHF@MM=FÿJ=HGCM
CAS=FH=FÿLSBJO
T=
?@UT
?@AJ=A<=FÿBGA
?
F
<
M
M<P
A
<
?
F
ICDIÿTF=<<EF=
MCUCHÿ<PCH?I
LA@HÿGMMÿU@J=M<O
ICDIÿTF=<<EF=
MCUCHÿ<PCH?I
LA@HÿGMMÿU@J=M<O
F
?
<
A
M<P
M
<
F
?
?@AJ=A<=FÿBGA
?@UT
T=
CAS=FH=FÿLSBJO
?@UTF=<<@FÿJ=HGCM
^^^^^^^^^^^^^^^^^^^^^^^ÿÿ`abÿcdÿe`fÿ^^^^^^^^^^^^^^^^^^^^^^^
g
hihjhgkÿmnkngonÿpqmÿrmqstujhqi
vvwvxwyzyy
{|
g}
yzyyn~zyy
e`f
e`fcaÿe`ceb
b`
`aÿac
g
|
u
s
x
uqnijo
jhmsÿgiknÿrmq{n
X
X
Y
Y
MCDIH<
;<==ÿ?@ABCDEFGHC@Aÿ?IGFH
?@ABCDEFGHC@Aÿ?IGFH
Y
X
Y
Y
X
X
X
Y
X
Y
J@@F
I=GH=F
BG?=
I=GH=F
J@@F
<PCH?I
U@J=M
<CADM=ÿ<@MCJ
J@@F
<CADM=ÿDMG<<
J@@F
J@EQM=ÿ<@MCJ
J@@F
J@EQM=ÿDMG<<
J@@F
J@@Fÿ<PCH?I=<
JCDCHGMÿCATEHÿ?CF?ECH
=SGTÿ<=A<@F
GCFÿ<=A<@F
MCDIH
BGA
J=BF@<H
Z
JCDCHGMÿCATEH
JC
<V<W
<Y
[
A=EHFGM
MCA=
?@UTF=<<@F
JGAB@<<ÿ?@AHF@MM=FÿJ=HGCM
<X
V
W
X
Y
PICH=
Y
F?ÿ\ÿFEAÿ?GTG?CH@F
<?ÿ\ÿ<HGFHÿ?GTG?CH@F
@Mÿ\ÿ@S=FM@GJ
ÿÿÿ\ÿÿ?@AHF@MM=FÿH=FUCAGM
ÿÿÿ\ÿ?@AA=?HC@AÿT@CAH
<<Fÿ\ÿ<@MCJÿ<HGH=ÿF=MGN
M=D=AJ
PICH=
<CDAGMÿ<=AH
<CDAGMÿF=?C=S=J
u
|
g
shniohqioÿgmnÿhiÿhiuno
jqknmgiuno
gitkgmÿÿ
ÿÿy
ÿ
smgi
ununs
sgjn
ign
¡¢
jhjkn
tiknooÿqjnmhonÿornuhphns
nknujmhugkÿshgmgÿ~ÿ
|jÿijÿpm£
jhmsÿgiknÿrmq{nujhqi
|mqqhkkn¤ÿrg
hiojqi~ogkn¤ÿiu
¥¦§¦¨©ª¦~©«¨¬®
Bekijk gratis de handleiding van Beverage-Air Vista FB12HC-1S, stel vragen en lees de antwoorden op veelvoorkomende problemen, of gebruik onze assistent om sneller informatie in de handleiding te vinden of uitleg te krijgen over specifieke functies.
Productinformatie
| Merk | Beverage-Air |
| Model | Vista FB12HC-1S |
| Categorie | Vriezer |
| Taal | Nederlands |
| Grootte | 4287 MB |







