Beverage-Air UCRD93AHC-2 handleiding

31 pagina's
PDF beschikbaar

Handleiding

Je bekijkt pagina 28 van 31
User Manual for UCR Refrigerators Beverage-Air
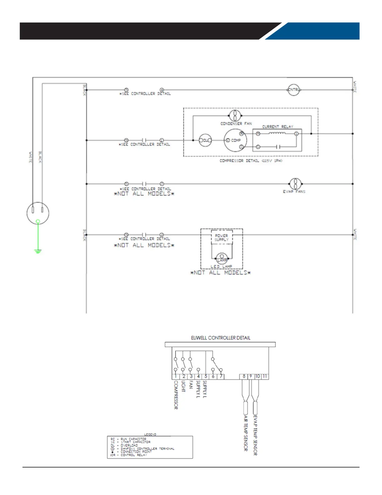
Rev. 04/25Beverage-Air28
FOR THE SERVICE TECH - WIRING DIAGRAM ELIWELL CONTROLLER

Bekijk gratis de handleiding van Beverage-Air UCRD93AHC-2, stel vragen en lees de antwoorden op veelvoorkomende problemen, of gebruik onze assistent om sneller informatie in de handleiding te vinden of uitleg te krijgen over specifieke functies.

Productinformatie

MerkBeverage-Air
ModelUCRD93AHC-2
CategorieKoelkast
TaalNederlands
Grootte4718 MB