Beverage-Air UCRD93AHC-2 handleiding
Handleiding
Je bekijkt pagina 26 van 31

User Manual for UCR Refrigerators Beverage-Air
Rev. 04/25Beverage-Air26
*NOT ALL MODELS*
*NOT ALL MODELS*
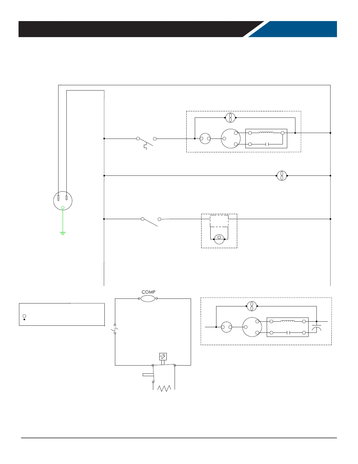
L.E.D. LAMP
LAMP
POWER
SUPPLY
1CR
1
RC - RUN CAPACITOR
SC - START CAPACITOR
OL - OVERLOAD
- DANFOSS CONTROLLER TERMINAL
- CONNECTION POINT
- CONTROL RELAY
LEGEND
S.C.
1
OL
M
S
S
R
C
CONDENSER FAN
COMP
2
CURRENT RELAY
COMPRESSOR DETAIL SOME MODELS
M
1
CURRENT RELAY
S
S
R
OL
C
CONDENSER FAN
COMP
COMPRESSOR DETAIL (115V 1PH)
WHITE
BLACK
BLACK
*SEE CONTROLLER DETAIL
EVAP FANS
BLACK
4
3
WHITE
6
43
LIGHT SWITCH
FOR THE SERVICE TECH - WIRING DIAGRAM MECHANICAL CONTROLLER
Bekijk gratis de handleiding van Beverage-Air UCRD93AHC-2, stel vragen en lees de antwoorden op veelvoorkomende problemen, of gebruik onze assistent om sneller informatie in de handleiding te vinden of uitleg te krijgen over specifieke functies.
Productinformatie
Merk | Beverage-Air |
Model | UCRD93AHC-2 |
Categorie | Koelkast |
Taal | Nederlands |
Grootte | 4718 MB |