Beverage-Air UCR119AHC handleiding

31 pagina's
PDF beschikbaar

Handleiding

Je bekijkt pagina 28 van 31
User Manual for UCR Refrigerators Beverage-Air
Rev. 04/25Beverage-Air28
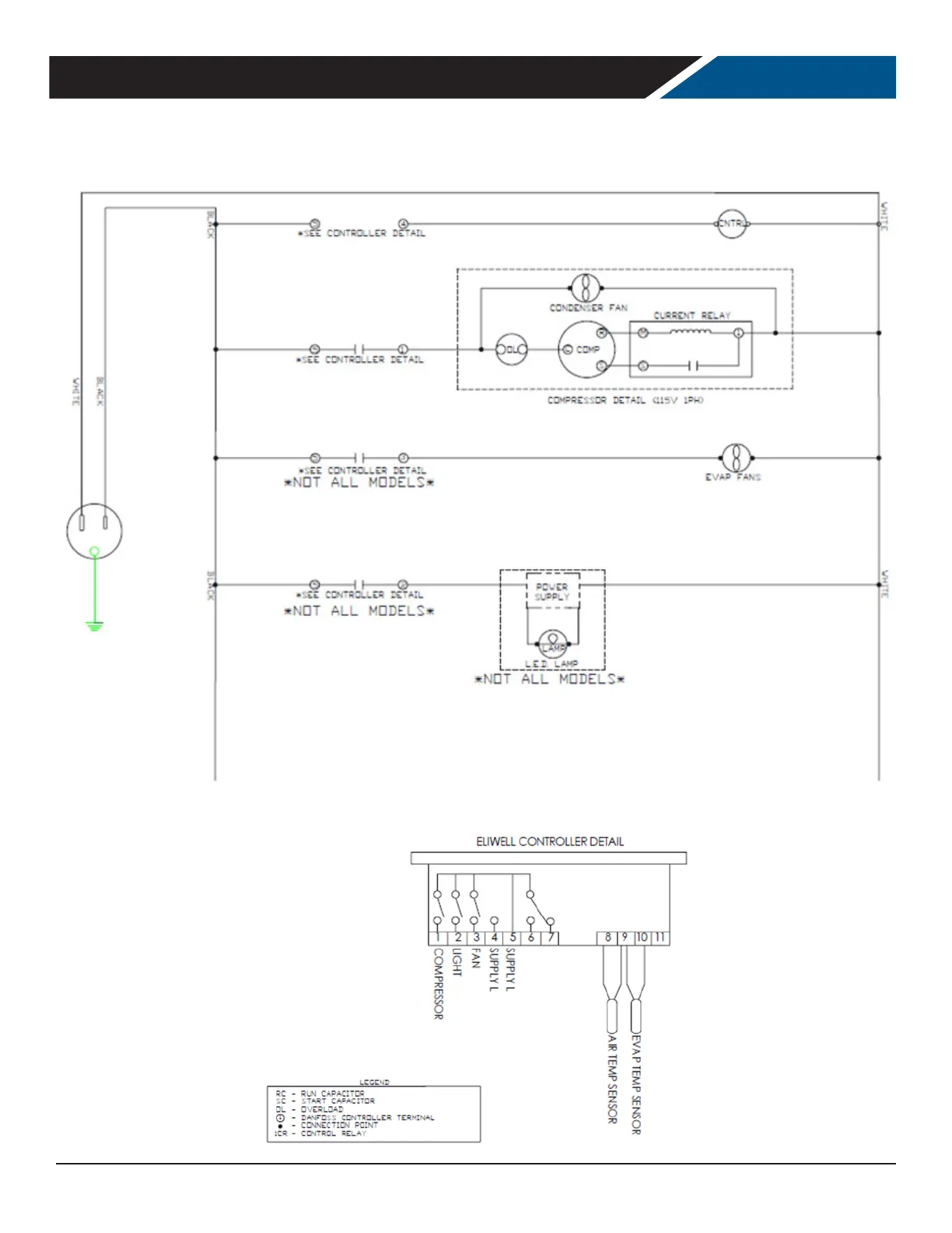
FOR THE SERVICE TECH - WIRING DIAGRAM ELIWELL CONTROLLER

Bekijk gratis de handleiding van Beverage-Air UCR119AHC, stel vragen en lees de antwoorden op veelvoorkomende problemen, of gebruik onze assistent om sneller informatie in de handleiding te vinden of uitleg te krijgen over specifieke functies.

Productinformatie

MerkBeverage-Air
ModelUCR119AHC
CategorieKoelkast
TaalNederlands
Grootte4718 MB