Beverage-Air UCR119AHC handleiding
Handleiding
Je bekijkt pagina 26 van 31

User Manual for UCR Refrigerators Beverage-Air
Rev. 04/25Beverage-Air26
*NOT ALL MODELS*
*NOT ALL MODELS*
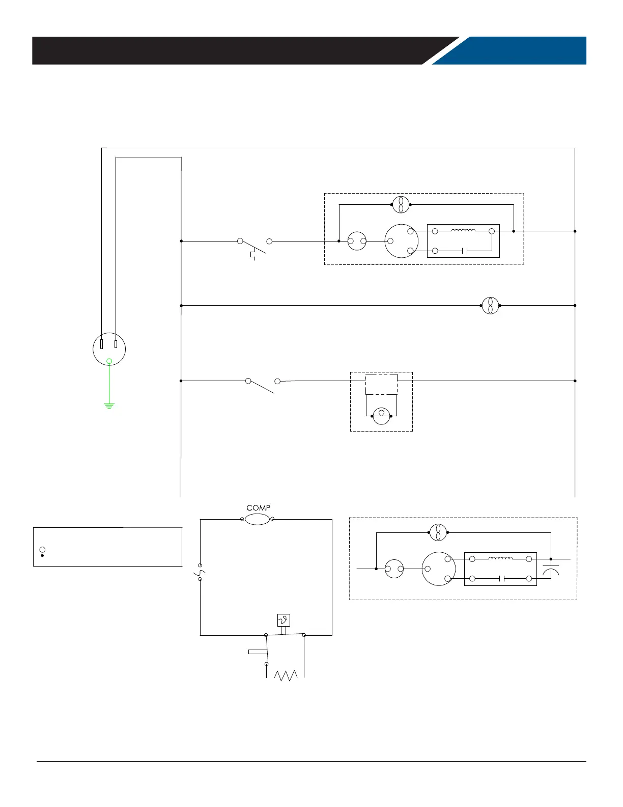
L.E.D. LAMP
LAMP
POWER
SUPPLY
1CR
1
RC - RUN CAPACITOR
SC - START CAPACITOR
OL - OVERLOAD
- DANFOSS CONTROLLER TERMINAL
- CONNECTION POINT
- CONTROL RELAY
LEGEND
S.C.
1
OL
M
S
S
R
C
CONDENSER FAN
COMP
2
CURRENT RELAY
COMPRESSOR DETAIL SOME MODELS
M
1
CURRENT RELAY
S
S
R
OL
C
CONDENSER FAN
COMP
COMPRESSOR DETAIL (115V 1PH)
WHITE
BLACK
BLACK
*SEE CONTROLLER DETAIL
EVAP FANS
BLACK
4
3
WHITE
6
43
LIGHT SWITCH
FOR THE SERVICE TECH - WIRING DIAGRAM MECHANICAL CONTROLLER
Bekijk gratis de handleiding van Beverage-Air UCR119AHC, stel vragen en lees de antwoorden op veelvoorkomende problemen, of gebruik onze assistent om sneller informatie in de handleiding te vinden of uitleg te krijgen over specifieke functies.
Productinformatie
Merk | Beverage-Air |
Model | UCR119AHC |
Categorie | Koelkast |
Taal | Nederlands |
Grootte | 4718 MB |