Beverage-Air SMF34HC handleiding

27 pagina's
PDF beschikbaar

Handleiding

Je bekijkt pagina 23 van 27
User Manual for SMF School Milk Cooler Beverage-Air
Rev. 06/23 Beverage-Air 23
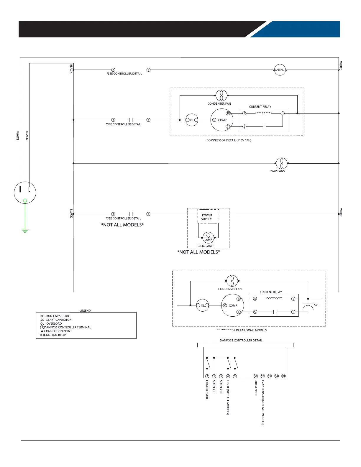
FOR THE SERVICE TECH - WIRING DIAGRAM - DANFOSS CONTROLLER
0123ÿ567869ÿ3ÿ5ÿ9ÿ59ÿ923ÿ3
ÿ !"#$%&
'()ÿ+,-ÿ.-)/01-ÿ+-1,ÿ2ÿ30)045ÿ6075)78ÿ674'(..ÿ

Bekijk gratis de handleiding van Beverage-Air SMF34HC, stel vragen en lees de antwoorden op veelvoorkomende problemen, of gebruik onze assistent om sneller informatie in de handleiding te vinden of uitleg te krijgen over specifieke functies.

Productinformatie

MerkBeverage-Air
ModelSMF34HC
CategorieKoelkast
TaalNederlands
Grootte3917 MB