Beverage-Air SM58HC-S handleiding
Handleiding
Je bekijkt pagina 23 van 27

User Manual for SM School Milk Cooler Beverage-Air
Rev. 06/23 Beverage-Air 23
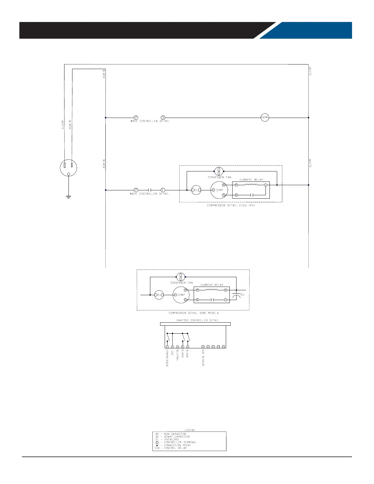
FOR THE SERVICE TECH - WIRING DIAGRAM - DANFOSS CONTROLLER
01234
563ÿ89183
451
6
88
8
192354
4619
039883
5188ÿ01234493ÿ92564
8
03
30ÿÿ31ÿ0550623
80ÿÿ82532ÿ0550623
4ÿÿ9345
ÿÿÿÿ01234493ÿ2936154
ÿÿÿÿ01190261ÿ612
ÿÿÿÿ01234ÿ3945
4991
80
4
8
8
3
0
0191893ÿ51
0
033912ÿ3945
039883ÿ92564ÿ89ÿ948
033912ÿ3945
8
8
3
4
0
0191893ÿ51
0
039883ÿ92564ÿÿ
629
450
450
629
899ÿ01234493ÿ92564
899ÿ01234493ÿ92564
450
629
451
!!!!!!!!!!!!!!!!!!!!!!!ÿÿ#$%ÿ&'ÿ(#)ÿ!!!!!!!!!!!!!!!!!!!!!!!
*
+,+-+*.ÿ01.1*21ÿ340ÿ504678-+4,
9:;<;:=9>
?@
*AB
:=9>1C9=DE
(#)
(#)FGF&$ÿ(#H&(%
%IJ#
KL
HMN
#H$Oÿ$&O
6
8
@
*
*
@
8
6
9
:
E
P
<
D
Q
R
R
Q
D
<
P
E
:
9
-S1ÿ+,340A*-+4,ÿ84,-*+,16ÿ+,ÿ-S+2
60*T+,Uÿ+2ÿ-S1ÿ24.1ÿ504510-Vÿ43
@1W10*U1C*+0ÿ840540*-+4,Xÿÿ*,Vÿ
01504678-+4,ÿ+,ÿ5*0-ÿ40ÿ*2ÿ*ÿÿ
TS4.1ÿT+-S47-ÿ-S1ÿT0+--1,ÿ
510A+22+4,ÿ43ÿ@1W10*U1C*+0ÿ
840540*-+4,ÿ+2ÿ504S+@+-16X
Y(&Y(F#JI(LÿI$%ÿH&$'F%#$JFIZ
6+A1,2+4,2ÿ*01ÿ+,ÿ+,8S12
-4.10*,812[
*,U7.*0[ÿÿ
ÿÿ:
ÿ
4,1ÿ5.*81ÿ618+A*.ÿÿ
ÿX=D=
-T4ÿ5.*81ÿ618+A*.ÿÿ
ÿX=E=
-S011ÿ5.*81ÿ618+A*.ÿ
ÿX=9=
60*T,
8S18B16
1,Uÿ*550X
A3Uÿ*550X
\X*X
84AA1,-2[
6*-1
,*A1
]^_^`ab^cad`
-+-.1[
2+e1
K
6TUXÿÿ,4X
01W
T1+US-[ÿ
28*.1[ÿ9[:
7,.122ÿ4-S10T+21ÿ2518+3+16[
*
*AB
9:;=<;9>
1.18-0+8*.ÿ6+*U0*AÿCÿ
84.6ÿT*..
2S11-ÿ9ÿ43ÿ:
fghijklm
-S+06ÿ*,U.1ÿ504?18-+4,
@044BW+..1nÿ5*
T+,2-4,C2*.1Anÿ,8
opqprstpCsurXvwx
1,U+,110+,Uÿ01\7+0A1,-2
259==
A461.
01234
563ÿ89183
451
6
88
8
192354
4619
039883
5188ÿ01234493ÿ92564
8
03
30ÿÿ31ÿ0550623
80ÿÿ82532ÿ0550623
4ÿÿ9345
ÿÿÿÿ01234493ÿ2936154
ÿÿÿÿ01190261ÿ612
ÿÿÿÿ01234ÿ3945
4991
80
4
8
8
3
0
0191893ÿ51
0
033912ÿ3945
039883ÿ92564ÿ89ÿ948
033912ÿ3945
8
8
3
4
0
0191893ÿ51
0
039883ÿ92564ÿÿ
629
450
450
629
899ÿ01234493ÿ92564
899ÿ01234493ÿ92564
450
629
451
!!!!!!!!!!!!!!!!!!!!!!!ÿÿ#$%ÿ&'ÿ(#)ÿ!!!!!!!!!!!!!!!!!!!!!!!
*
+,+-+*.ÿ01.1*21ÿ340ÿ504678-+4,
9:;<;:=9>
?@
*AB
:=9>1C9=DE
(#)
(#)FGF&$ÿ(#H&(%
%IJ#
KL
HMN
#H$Oÿ$&O
6
8
@
*
*
@
8
6
9
:
E
P
<
D
Q
R
R
Q
D
<
P
E
:
9
-S1ÿ+,340A*-+4,ÿ84,-*+,16ÿ+,ÿ-S+2
60*T+,Uÿ+2ÿ-S1ÿ24.1ÿ504510-Vÿ43
@1W10*U1C*+0ÿ840540*-+4,Xÿÿ*,Vÿ
01504678-+4,ÿ+,ÿ5*0-ÿ40ÿ*2ÿ*ÿÿ
TS4.1ÿT+-S47-ÿ-S1ÿT0+--1,ÿ
510A+22+4,ÿ43ÿ@1W10*U1C*+0ÿ
840540*-+4,ÿ+2ÿ504S+@+-16X
Y(&Y(F#JI(LÿI$%ÿH&$'F%#$JFIZ
6+A1,2+4,2ÿ*01ÿ+,ÿ+,8S12
-4.10*,812[
*,U7.*0[ÿÿ
ÿÿ:
ÿ
4,1ÿ5.*81ÿ618+A*.ÿÿ
ÿX=D=
-T4ÿ5.*81ÿ618+A*.ÿÿ
ÿX=E=
-S011ÿ5.*81ÿ618+A*.ÿ
ÿX=9=
60*T,
8S18B16
1,Uÿ*550X
A3Uÿ*550X
\X*X
84AA1,-2[
6*-1
,*A1
]^_^`ab^cad`
-+-.1[
2+e1
K
6TUXÿÿ,4X
01W
T1+US-[ÿ
28*.1[ÿ9[:
7,.122ÿ4-S10T+21ÿ2518+3+16[
*
*AB
9:;=<;9>
1.18-0+8*.ÿ6+*U0*AÿCÿ
84.6ÿT*..
2S11-ÿ9ÿ43ÿ:
fghijklm
-S+06ÿ*,U.1ÿ504?18-+4,
@044BW+..1nÿ5*
T+,2-4,C2*.1Anÿ,8
opqprstpCsurXvwx
1,U+,110+,Uÿ01\7+0A1,-2
259==
A461.
Bekijk gratis de handleiding van Beverage-Air SM58HC-S, stel vragen en lees de antwoorden op veelvoorkomende problemen, of gebruik onze assistent om sneller informatie in de handleiding te vinden of uitleg te krijgen over specifieke functies.
Productinformatie
Merk | Beverage-Air |
Model | SM58HC-S |
Categorie | Koelkast |
Taal | Nederlands |
Grootte | 3697 MB |