Beverage-Air PF2HC-1BHG handleiding
Handleiding
Je bekijkt pagina 48 van 51

User Manual for PF Freezers Beverage-Air
Rev. 04/25Beverage-Air48
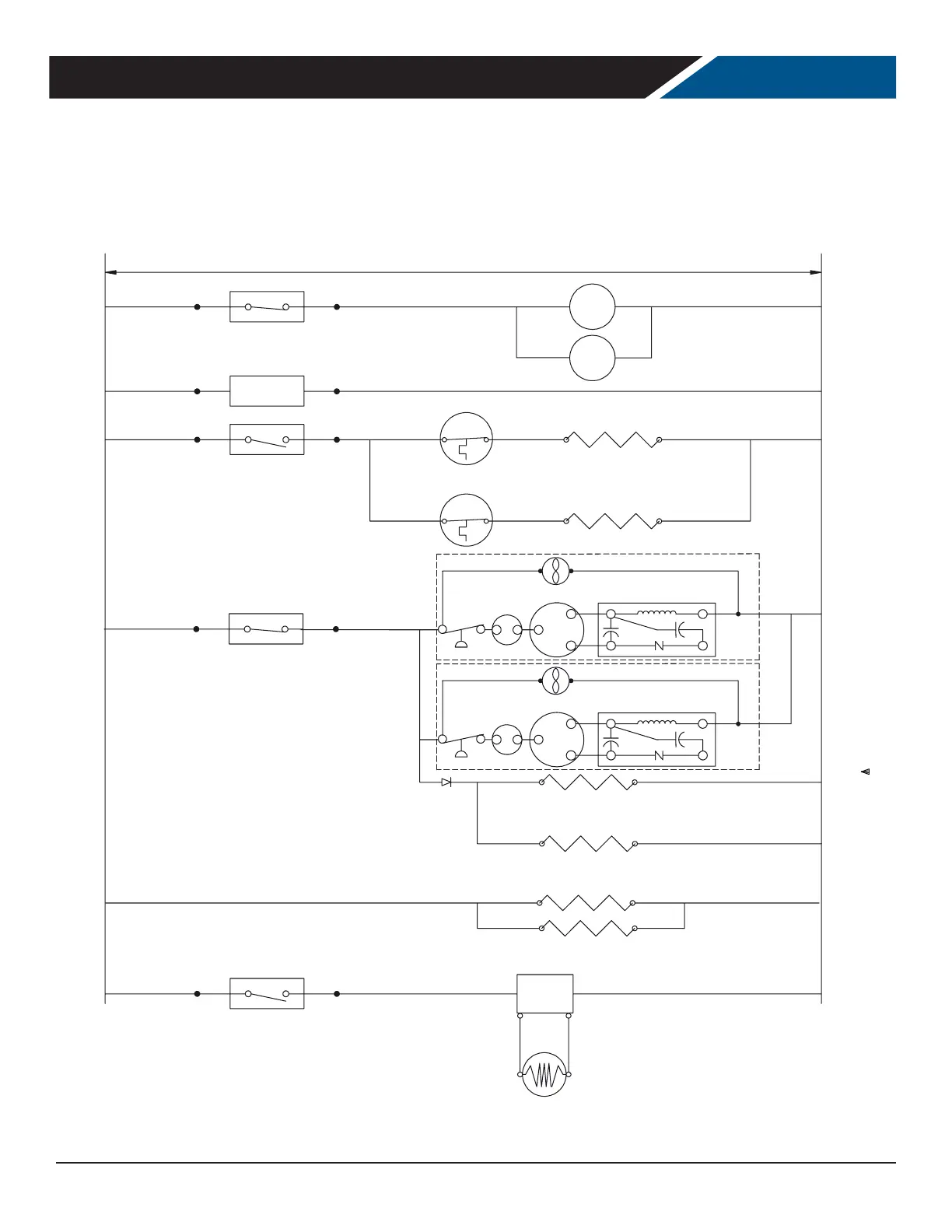
115VAC 60 HZ
EVAP
FAN
BLK
FAN RELAY
4 5
WHT
CONTROL
CIRCUIT
1 3
BLU
ORG
WHT
DEFROST HEATERS
DEF RELAY
7 9
HEATER SAFETY
THERMAL SWITCH
BLU
BLACK
WHITE
ORG
COMP RELAY
10 11
BRN
BLK
BLK
WHT
FASCIA HEATERS
RED
LIGHT RELAY
13 14
RED
CABINET
LIGHTS
POWER
SUPPLY
+
--
24VDC
HIGH CURRENT DIODE
WHT
BLK
GLASS DOOR HEATERS
(GLASS DOOR MODELS ONLY)
WHT
COMPRESSOR DETAIL
START RELAY
10
COMP
CONDENSER FAN
C
R
S
2
4
OL
1
R.C.
S.C.
HIGH PRESSURE
LIMIT SWITCH
(NOT ALL MODELS)
BLK
DRAIN TUBE HEATERS
WHT
WHT
BLACK
BLK
BLK
BLK
BLK
BLK
BLK
BLK
EVAP
FAN
S.C.
R.C.
1
OL
4
2
S
R
C
CONDENSER FAN
COMP
10
START RELAY
COMPRESSOR DETAIL
HIGH PRESSURE
LIMIT SWITCH
(NOT ALL MODELS)
115V FREEZER
FOR THE SERVICE TECH - TWO SYSTEM WIRING DIAGRAM
Bekijk gratis de handleiding van Beverage-Air PF2HC-1BHG, stel vragen en lees de antwoorden op veelvoorkomende problemen, of gebruik onze assistent om sneller informatie in de handleiding te vinden of uitleg te krijgen over specifieke functies.
Productinformatie
| Merk | Beverage-Air |
| Model | PF2HC-1BHG |
| Categorie | Niet gecategoriseerd |
| Taal | Nederlands |
| Grootte | 13789 MB |







