Beverage-Air Horizon HRPS2HC-1S handleiding
Handleiding
Je bekijkt pagina 25 van 28

User Manual for HR Refrigerators Beverage-Air
Rev. 04/25 Beverage-Air 25
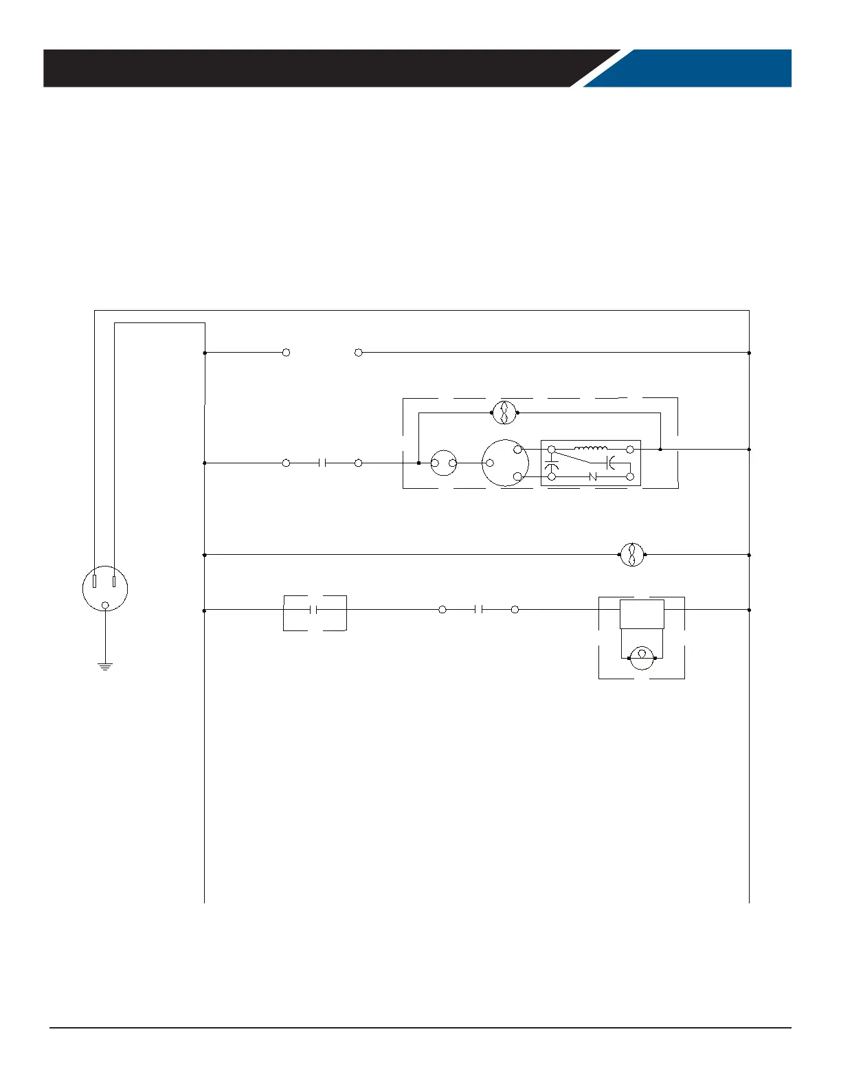
FOR THE SERVICE TECH - WIRING DIAGRAM
WHITE
2
1
BLACK
BLACK
WHITE
EVAP FAN
POWER
SUPPLY
LAMP
*SEE CONTROLLER DETAIL
2
3
*SEE CONTROLLER DETAIL
WHITE
BLACK
*SEE CONFIGURATION CHART
COMPRESSOR DETAIL
L.E.D. LAMP
DIGITAL INPUT
SIGNAL
START RELAY
10
COMP
CONDENSER FAN
C
R
S
2
4
OL
1
R.C.
S.C.
2
*SEE CONTROLLER DETAIL
4
*SOLID DOOR MODELS ONLY
115VAC 60 HZ
115V REFRIGERATOR ONE SYSTEM
Bekijk gratis de handleiding van Beverage-Air Horizon HRPS2HC-1S, stel vragen en lees de antwoorden op veelvoorkomende problemen, of gebruik onze assistent om sneller informatie in de handleiding te vinden of uitleg te krijgen over specifieke functies.
Productinformatie
| Merk | Beverage-Air |
| Model | Horizon HRPS2HC-1S |
| Categorie | Niet gecategoriseerd |
| Taal | Nederlands |
| Grootte | 4355 MB |







