Beverage-Air Horizon HBF19HC-1-G handleiding
Handleiding
Je bekijkt pagina 21 van 25

User Manual for HBF Freezers Beverage-Air
Rev. 04/25 Beverage-Air 21
0123ÿ567869ÿ3ÿ55ÿ322231ÿ223623
ÿ !"#$%&!'(
)*+ÿ-./ÿ0/+123/ÿ-/3.ÿ4ÿ52+267ÿ8297+9:ÿ)*+ÿ*6/ÿ968ÿ-5*ÿ0;0-/:ÿ:*8/<0
KDCCÿJLMN>?EBOH>LMÿJ=OBH
PQ>Q
RDLF>PÿPLLBDÿLMFST
KDCCÿJLMN>?EBOH>LMÿJ=OBH
KDCCÿJLMN>?EBOH>LMÿJ=OBH
I=>HC
UFOJV
CWOAÿNOM
D>?MÿF>?=H
ÿRMLHÿ>MDHOFFCPÿLM
OFFÿGLPCFDT
NOJCÿ=COHCB
?FODDÿPLLBÿ=COHCB
RMLHÿOFFÿGLPCFDT
KDCCÿJLMHBLFFCBÿPCHO>F
KDCCÿJLMHBLFFCBÿPCHO>F
KDCCÿJLMHBLFFCBÿPCHO>F
PQ>Q
SCFFLI
BCP
UOFFODH
PBO>MÿHEUCÿ=COHCB
X
Z
[
[
FCP
^
_
AD
\
[
PCNBLDHÿ=COHCB
UFOJV
I=>HC
[
]
JMHBF
UFOJV
I=>HC
Y
BJÿ^ÿBEMÿJO
DJÿ^ÿDHOBHÿJ
LFÿ^ÿLWCBFL
ÿÿÿ^ÿÿJLMHBL
ÿÿÿ^ÿJLMMCJH
DDBÿ^ÿDLF>Pÿ
KDCCÿJLMHBLFFCBÿPCHO>F
UFOJV
I=>HC
=COHCBÿDONCHSÿDI>HJ=
[
KDCCÿJLMHBLFFCBÿPCHO>F
Y
BCFOSÿMLHÿEDCPÿLMÿOFFÿGLPCFD
RLH=CBÿGLPCFDÿJLMMCJHCPÿHLÿF>MCT
HGB
KDCCÿH>GCBÿPCHO>FÿRMLHÿOFFÿGLPCFDT
]
[
[
Y
KDCCÿJLMHBLFFCBÿPCHO>F
DHOBHÿBCFOS
Y`
JLGA
JLMPCMDCBÿNOM
J
B
D
[
\
LF
Y
BQJQ
DQJQ
DHOBHÿBCFOS
Y`
JLGA
JLMPCMDCBÿNOM
J
B
D
[
\
LF
Y
BQJQ
DQJQ
[
Y
DCCÿH>GCBÿPCHO>F
RMLHÿOFFÿGLPCFDT
aaaaaaaaaaaaaaaaaaaaaaaÿÿcdeÿfgÿhciÿaaaaaaaaaaaaaaaaaaaaaaa
j
klkmkjnÿpqnqjrqÿstpÿuptvwxmktl
yyzy{z|}||
~
j
|}||q}||
hci
hcifdÿhcfhe
ec
cdÿdf
j
x
v
{
{
xtqlmr
mkpvÿjlnqÿupt~
=>?=ÿABCDDEBCÿF>G>HÿDI>HJ=
[
[
Y
Y
F>?=HD
KDCCÿJLMN>?EBOH>LMÿJ=OBH
JLMN>?EBOH>LMÿJ=OBH
`
Y
`
[
Y
Y
[
[
[
Y
[
Y
PLLB
=COHCB
NOJC
=COHCB
PLLB
DI>HJ=
GLPCF
D>M?FCÿDLF>P
PLLB
D>M?FCÿ?FODD
PLLB
PLEUFCÿDLF>P
PLLB
PLEUFCÿ?FODD
PLLB
PLLBÿDI>HJ=CD
P>?>HOFÿ>MAEHÿJ>BJE>H
CWOAÿDCMDLB
O>BÿDCMDLB
F>?=H
NOM
PCNBLDH
X
P>?>HOFÿ>MAEH
P>
D\D]
DY
Z
MCEHBOF
F>MC
JLGABCDDLB
POMNLDDÿJLMHBLFFCBÿPCHO>F
D[
\
]
[
Y
I=>HC
DQJQ
BQJQ
Y
LF
[
D
B
J
JLMPCMDCBÿNOM
JLGA
Z
DHOBHÿBCFOS
I=>HC
JLGABCDDLBÿPCHO>FÿNLBÿDLGCÿGLPCFD
Y
BJÿ^ÿBEMÿJOAOJ>HLB
DJÿ^ÿDHOBHÿJOAOJ>HLB
LFÿ^ÿLWCBFLOP
ÿÿÿ^ÿÿJLMHBLFFCBÿHCBG>MOF
ÿÿÿ^ÿJLMMCJH>LMÿAL>MH
DDBÿ^ÿDLF>PÿDHOHCÿBCFOS
FC?CMP
I=>HC
D>?MOFÿDCMH
D>?MOFÿBCJ>CWCP
LEHAEH
F
M
LM^PCFOSÿH>GCBÿBCFOS
]`ÿDCJLMP
FLOP
>MAEH
Y[
]
v
x
j
|
y
vkqlrktlrÿjpqÿklÿklxqr
mtnqpjlxqr
jlwnjpÿÿ
ÿÿ|
ÿ
vpjl
xqxqv
vjmq
ljq
¡¢£¡¤
mkmnq
wlnqrrÿtmqpkrqÿruqxkskqv
j
qnqxmpkxjnÿvkjpjÿÿ
mÿlmÿsp¥
mkpvÿjlnqÿupt~qxmktl
pttknnq¦ÿuj
klrmtlrjnq¦ÿlx
§¨©¨ª«¬¨«ª®¯°
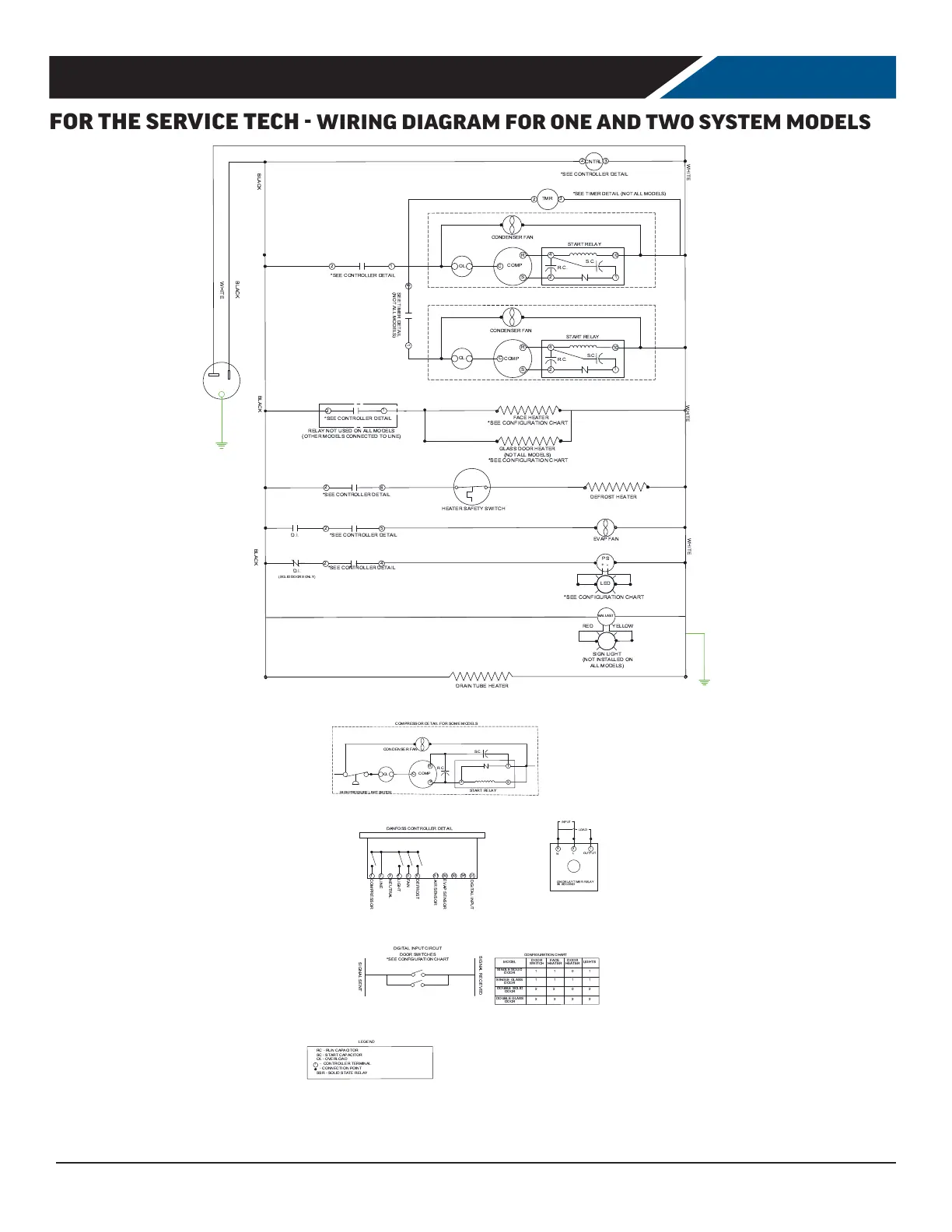
FOR THE SERVICE TECH - WIRING DIAGRAM FOR ONE AND TWO SYSTEM MODELS
Bekijk gratis de handleiding van Beverage-Air Horizon HBF19HC-1-G, stel vragen en lees de antwoorden op veelvoorkomende problemen, of gebruik onze assistent om sneller informatie in de handleiding te vinden of uitleg te krijgen over specifieke functies.
Productinformatie
| Merk | Beverage-Air |
| Model | Horizon HBF19HC-1-G |
| Categorie | Vriezer |
| Taal | Nederlands |
| Grootte | 4136 MB |







