Beverage-Air Forced Air STF58HC-1-W handleiding

27 pagina's
PDF beschikbaar

Handleiding

Je bekijkt pagina 23 van 27
User Manual for STF School Milk Cooler Beverage-Air
Rev. 04/25 Beverage-Air 23
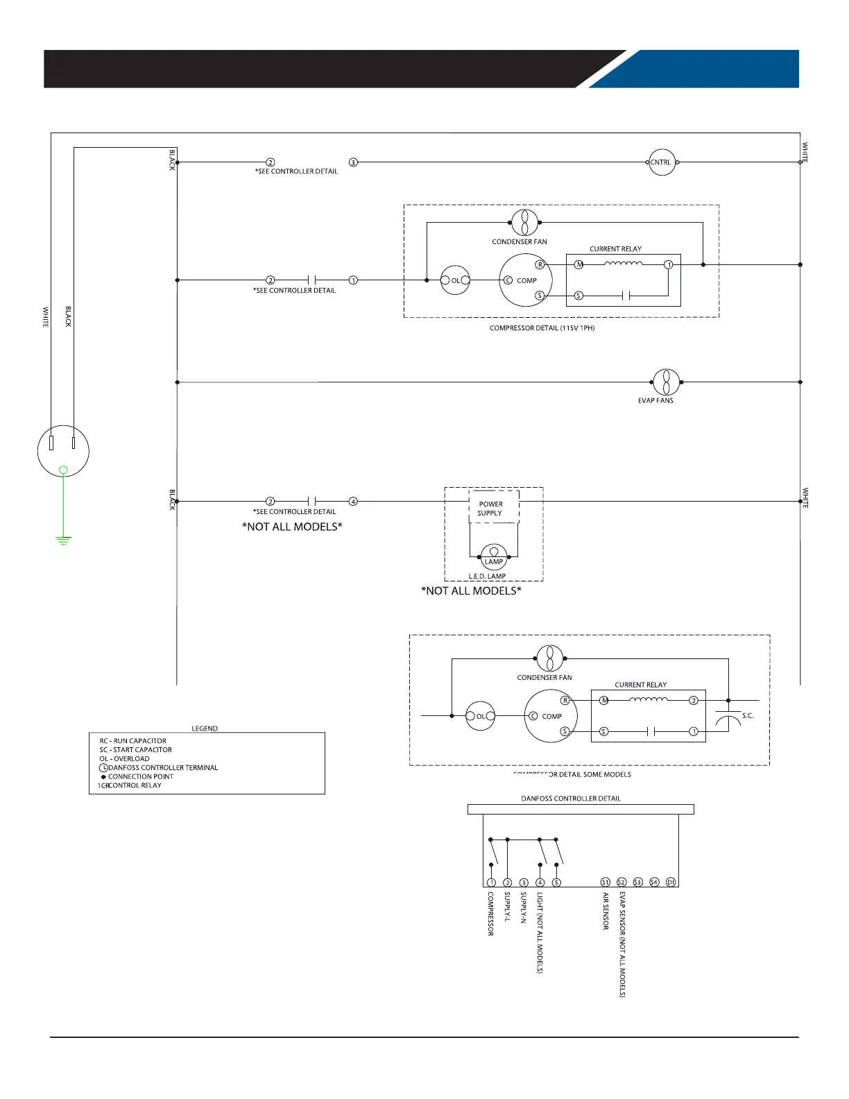
FOR THE SERVICE TECH - WIRING DIAGRAM - DANFOSS CONTROLLER
0123ÿ567869ÿ3ÿ5ÿ9ÿ59ÿ923ÿ3
ÿ !"#$%&
'()ÿ+,-ÿ.-)/01-ÿ+-1,ÿ2ÿ30)045ÿ6075)78ÿ674'(..ÿ

Bekijk gratis de handleiding van Beverage-Air Forced Air STF58HC-1-W, stel vragen en lees de antwoorden op veelvoorkomende problemen, of gebruik onze assistent om sneller informatie in de handleiding te vinden of uitleg te krijgen over specifieke functies.

Productinformatie

MerkBeverage-Air
ModelForced Air STF58HC-1-W
CategorieKoelkast
TaalNederlands
Grootte3881 MB