Beverage-Air FB72HC-1G handleiding
Handleiding
Je bekijkt pagina 22 van 26

User Manual for FB Freezers Beverage-Air
Rev. 07/22Beverage-Air22
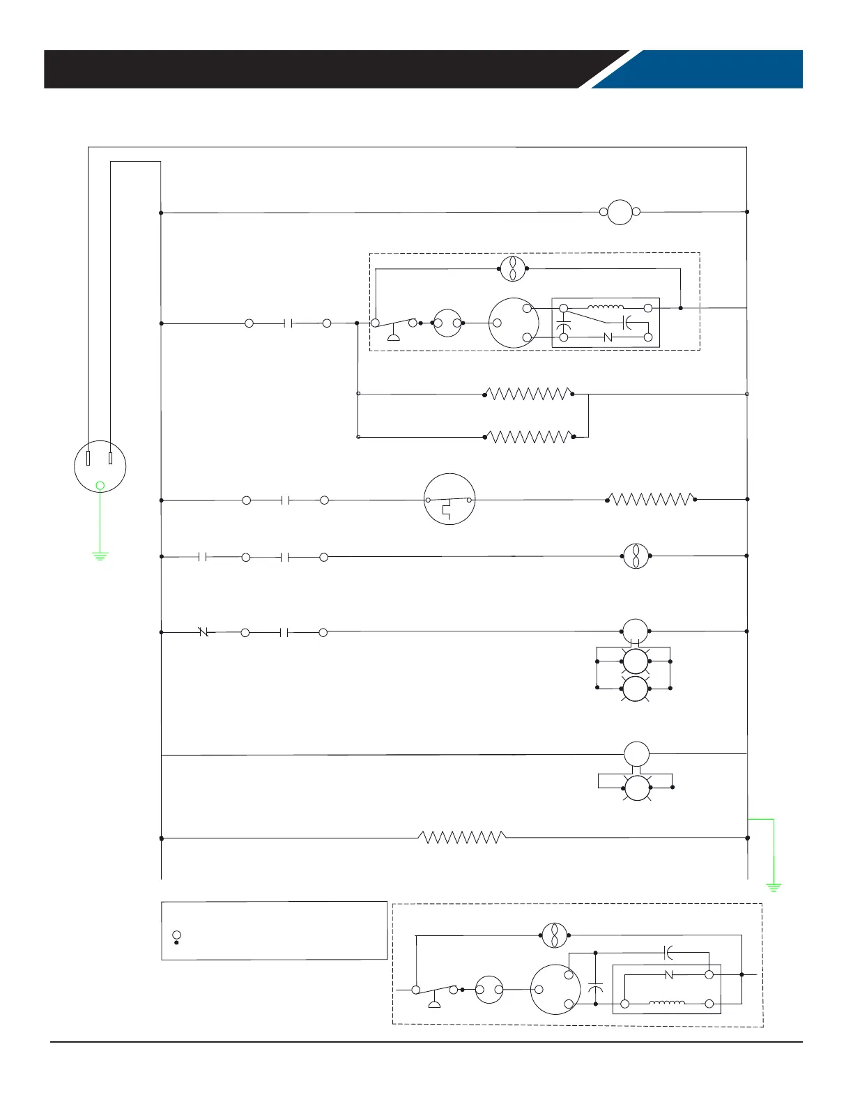
FOR THE SERVICE TECH - WIRING DIAGRAM FOR ALL BUT FB72HC-5
D.I.
(SOLID DOORS ONLY)
WHITE
BLACK
EVAP FAN
SIGN LIGHT
(NOT INSTALLED ON
ALL MODELS)
FACE HEATER
GLASS DOOR HEATER
(NOT ALL MODELS)
1
*SEE CONTROLLER DETAIL
2
*SEE CONTROLLER DETAIL
*SEE CONTROLLER DETAIL
*SEE CONTROLLER DETAIL
D.I.
YELLOW
RED
BALLAST
DRAIN TUBE HEATER
6
5
2
2
LED
LED
-
+
PS
4
2
DEFROST HEATER
KCALB
ETIHW
2
3
CNTRL
S.C.
R.C.
1
OL
2
S
R
C
CONDENSER FAN
COMP
5
START RELAY
S.C.
R.C.
1
OL
4
2
S
R
C
CONDENSER FAN
COMP
10
START RELAY
COMPRESSOR DETAIL
KCALB
ETIHW
COMPRESSOR DETAIL FOR SOME MODELS
1
RC - RUN CAPACITOR
SC - START CAPACITOR
OL - OVERLOAD
- CONTROLLER TERMINAL
- CONNECTION POINT
SSR - SOLID STATE RELAY
LEGEND
*SEE CONTROLLER DETAIL
KCALB
ETIHW
HEATER SAFETY SWITCH
*SEE CONFIGURATION CHART
*SEE CONFIGURATION CHART
HIGH PRESSURE LIMIT SWITCH
Bekijk gratis de handleiding van Beverage-Air FB72HC-1G, stel vragen en lees de antwoorden op veelvoorkomende problemen, of gebruik onze assistent om sneller informatie in de handleiding te vinden of uitleg te krijgen over specifieke functies.
Productinformatie
| Merk | Beverage-Air |
| Model | FB72HC-1G |
| Categorie | Vriezer |
| Taal | Nederlands |
| Grootte | 3908 MB |







