Beverage-Air BF054AP handleiding

64 pagina's
PDF beschikbaar

Handleiding

Je bekijkt pagina 41 van 64
User Manual for BF & RBS Beverage-Air
Rev. 06/24 Beverage-Air 41
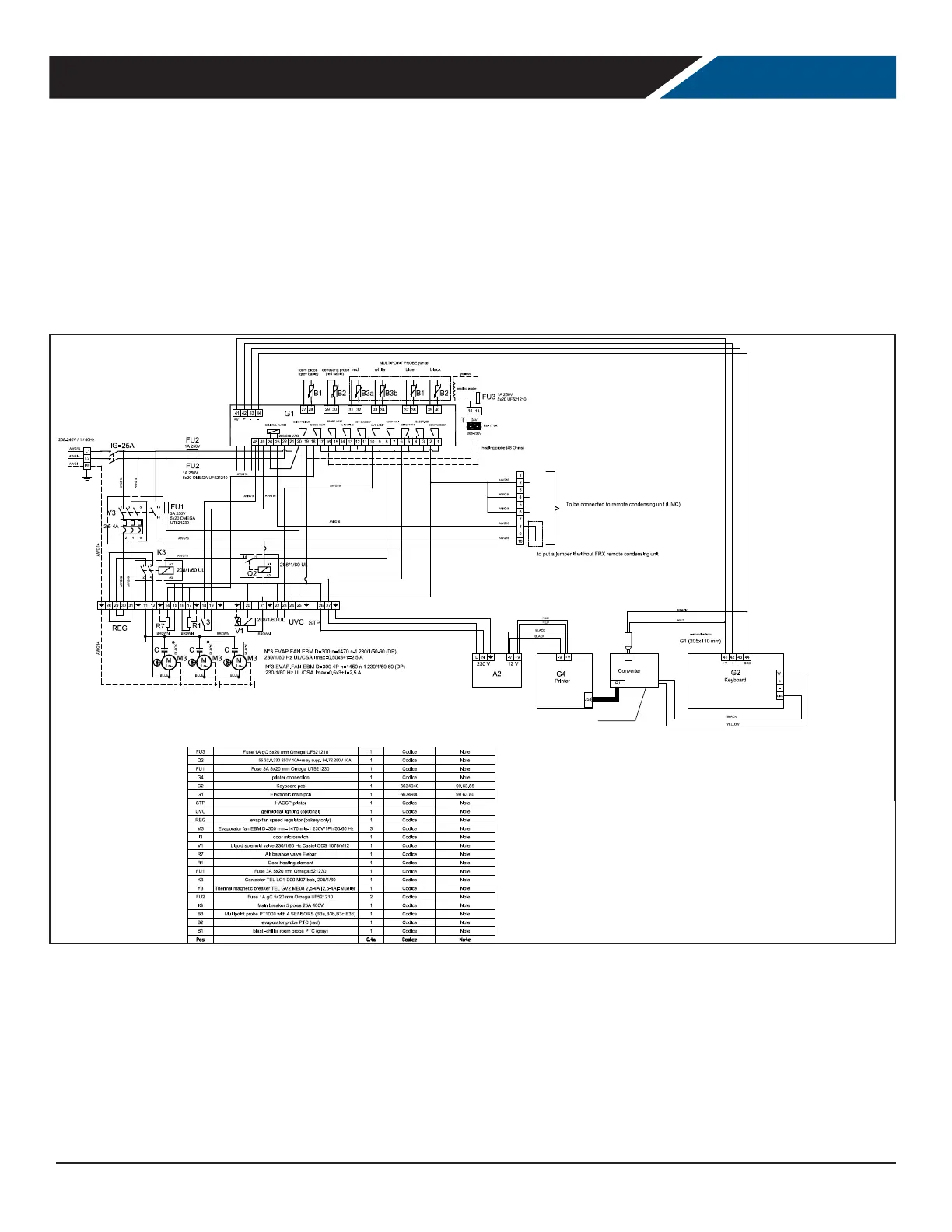
FOR THE SERVICE TECH - WIRING DIAGRAM - BF201DP-1P
BF201AP-1P
BF201DP-2P
BF201AP-2P
SERIAL
INTERFACE
Auxiliary Relay Finder
Denomination

Bekijk gratis de handleiding van Beverage-Air BF054AP, stel vragen en lees de antwoorden op veelvoorkomende problemen, of gebruik onze assistent om sneller informatie in de handleiding te vinden of uitleg te krijgen over specifieke functies.

Productinformatie

MerkBeverage-Air
ModelBF054AP
CategorieKoelkast
TaalNederlands
Grootte9611 MB