BEKO CNG4686DVW handleiding
Handleiding
Je bekijkt pagina 17 van 32

EN / 17
7 Use of Your Appliance
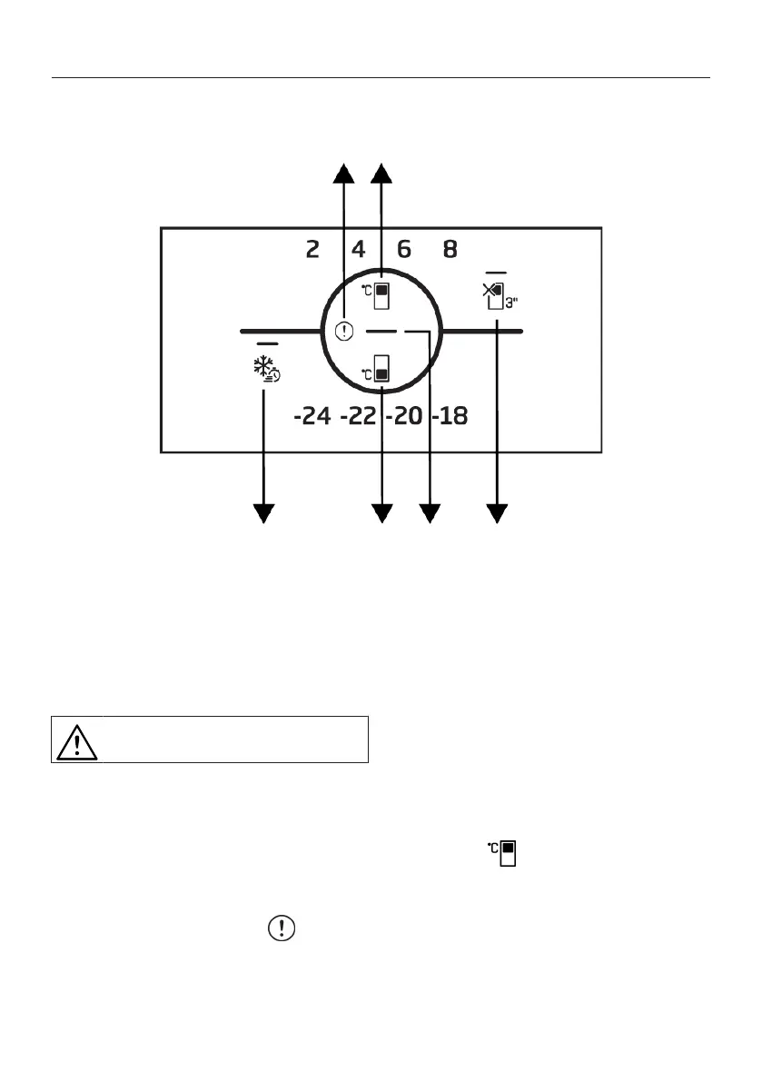
7.1 Control Panel of the Product
1 2
3456
1 Error Status Indicator 2 Cooler Compartment Temperature
Setting Key
3 * Cooler Compartment OFF (Vaca-
tion) Function
4 Energy Saving (Display Off) Indicator
5 Freezer Compartment Temperature
Setting Key
6 Quick Freezing Key
Read the “Safety Instructions” sec-
tion first.
Auditory and visual functions on the indic-
ator panel will assist you in using the refri-
gerator.
*Optional: Shown functions are optional,
there may be differences of shape and loc-
ation in functions found on your appliance’s
indicator panel.
1. Error Condition Indicator
This indicator shall be active when your re-
frigerator cannot perform adequate cooling
or in case of any sensor error. Exclamation
mark may be displayed when you load
warm food to the freezer compartment or
keep the door open for a long period of
time. This is not a fault, this warning shall
be removed when the food is cooled down
or when any key is pressed.
2. Cooler Compartment Temperature
Setting Key
Allows setting of temperature for cooler
compartment. Pressing the key will enable
the cooler compartment temperature to be
set at 8 °C,6 °C,4 °C, and 2 °C.
Bekijk gratis de handleiding van BEKO CNG4686DVW, stel vragen en lees de antwoorden op veelvoorkomende problemen, of gebruik onze assistent om sneller informatie in de handleiding te vinden of uitleg te krijgen over specifieke functies.
Productinformatie
| Merk | BEKO |
| Model | CNG4686DVW |
| Categorie | Niet gecategoriseerd |
| Taal | Nederlands |
| Grootte | 2660 MB |







