AYA DB6SNE handleiding
Handleiding
Je bekijkt pagina 13 van 92

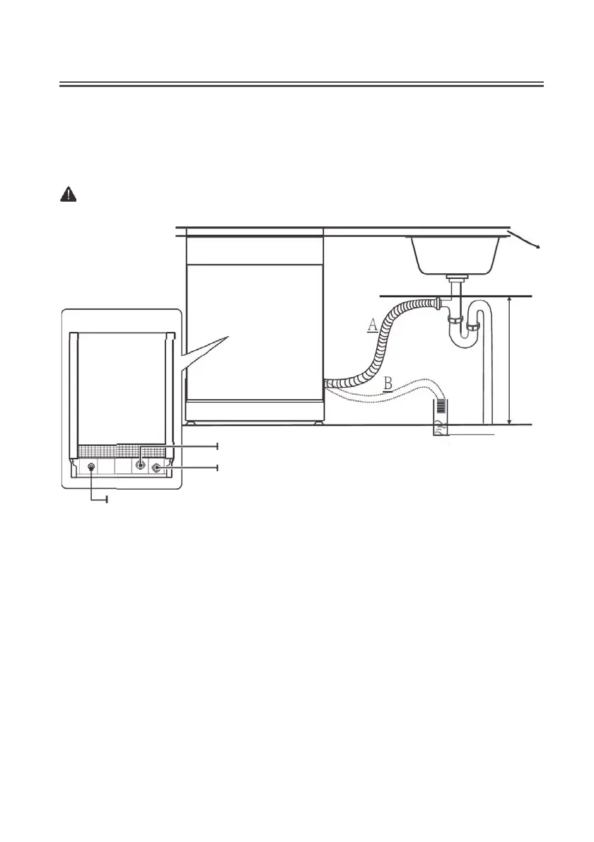
Branchement des tuyaux d’évacuation
Insérez le tuyau d’évacuation d’eau dans une conduite d’évacuation, d’un diamètre d’au
moins 4 cm, ou laissez couler dans l’évier. Assurez-vous que le tuyau n'est pas tordu ou plié.
La hauteur du tuyau d’évacuation doit être inférieure à 1000 mm. L’extrémité ouverte du
tuyau ne doit pas être submergée dans l’eau pour éviter les reflux.
Veuillez bien fixer le tuyau d’évacuation en position A ou en position B.
Comment drainer l'excès d'eau des tuyaux
Si l’évier est placé à une hauteur de 1 m du sol, il n’est pas possible de vider
l'excès d'eau des tuyaux directement dans l’évier. Il sera dans ce cas nécessaire de
recueillir l’eau dans un bol ou tout autre récipient approprié situé à l’extérieur et à
une hauteur inférieure à celle de l’évier.
Évacuation de l’eau
Raccordez le tuyau d’évacuation. Vérifiez qu’il est installé correctement pour
éviter toute fuite éventuelle. Veillez à ce que le tuyau d’évacuation d’eau ne soit
pas pliéou écrasé.
Rallonge de tuyau
Si vous avez besoin d’une rallonge de tuyau, veillez à utiliser un tuyau
d’évacuation du même type.
Celui-ci ne devra pas dépasser 4 mètres, sous peine de réduire les performances de nettoyage
du lave-vaisselle.
Comptoir
Arrière du lave -vaisselle
Tuyau d’évacuation
Arrivée d’eau
Tuyau d’évacuation
Câble d’alimentation
Ф40 mm
1000 mm MAX
-11-
Bekijk gratis de handleiding van AYA DB6SNE, stel vragen en lees de antwoorden op veelvoorkomende problemen, of gebruik onze assistent om sneller informatie in de handleiding te vinden of uitleg te krijgen over specifieke functies.
Productinformatie
| Merk | AYA |
| Model | DB6SNE |
| Categorie | Vaatwasser |
| Taal | Nederlands |
| Grootte | 9362 MB |
