Atosa AEC-1011E handleiding

92 pagina's
PDF beschikbaar

Handleiding

Je bekijkt pagina 26 van 92
26
AEC SERIES COMBI OVEN
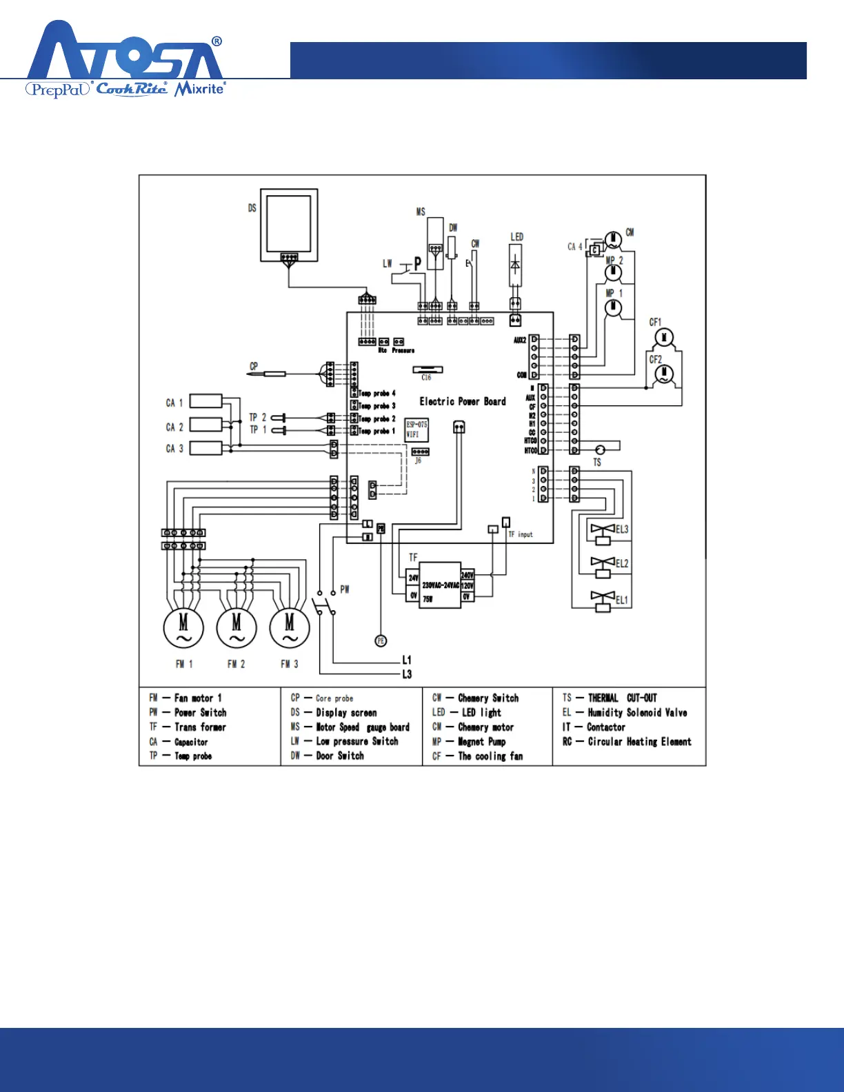
3.2.4 AEC-1021E Circuit Diagrams

Bekijk gratis de handleiding van Atosa AEC-1011E, stel vragen en lees de antwoorden op veelvoorkomende problemen, of gebruik onze assistent om sneller informatie in de handleiding te vinden of uitleg te krijgen over specifieke functies.

Productinformatie

MerkAtosa
ModelAEC-1011E
CategorieOven
TaalNederlands
Grootte17027 MB