Atosa AEC-0511E handleiding

92 pagina's
PDF beschikbaar

Handleiding

Je bekijkt pagina 22 van 92
22
AEC SERIES COMBI OVEN
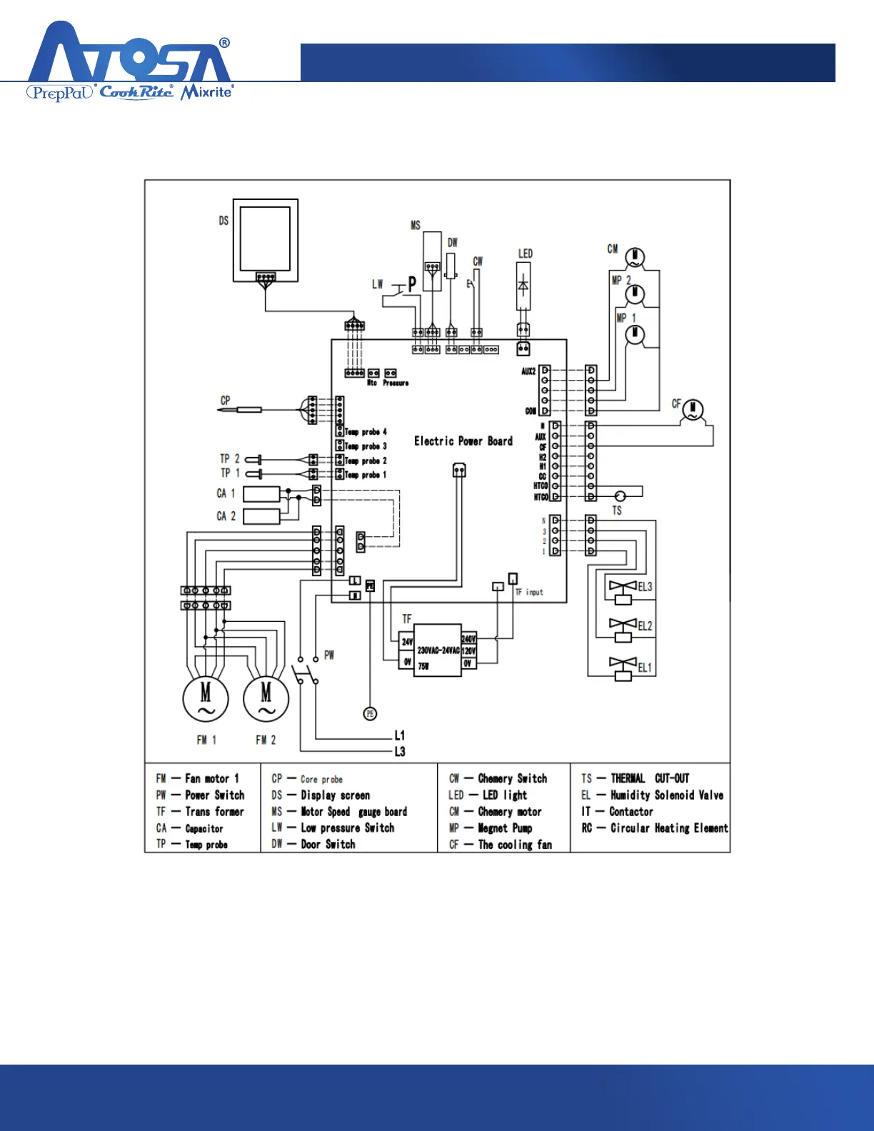
3.2.2 AEC-0711E/AEC-1011E Circuit Diagrams

Bekijk gratis de handleiding van Atosa AEC-0511E, stel vragen en lees de antwoorden op veelvoorkomende problemen, of gebruik onze assistent om sneller informatie in de handleiding te vinden of uitleg te krijgen over specifieke functies.

Productinformatie

MerkAtosa
ModelAEC-0511E
CategorieOven
TaalNederlands
Grootte7705 MB