Asus WS720T handleiding

152 pagina's
PDF beschikbaar

Handleiding

Je bekijkt pagina 144 van 152
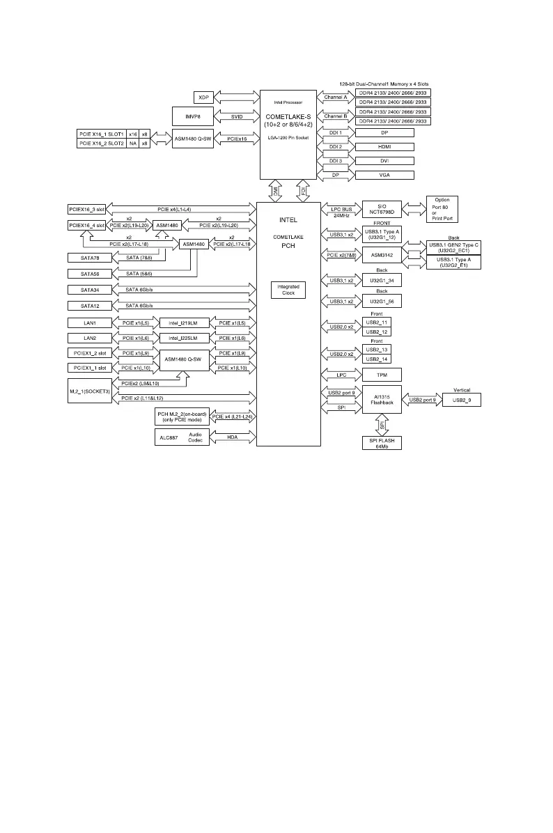
W480/SYS 架構圖

Bekijk gratis de handleiding van Asus WS720T, stel vragen en lees de antwoorden op veelvoorkomende problemen, of gebruik onze assistent om sneller informatie in de handleiding te vinden of uitleg te krijgen over specifieke functies.

Productinformatie

MerkAsus
ModelWS720T
CategorieNiet gecategoriseerd
TaalNederlands
Grootte23203 MB