Asus R2314I-IM-A handleiding

70 pagina's
PDF beschikbaar

Handleiding

Je bekijkt pagina 13 van 70
Industrial motherboard
13
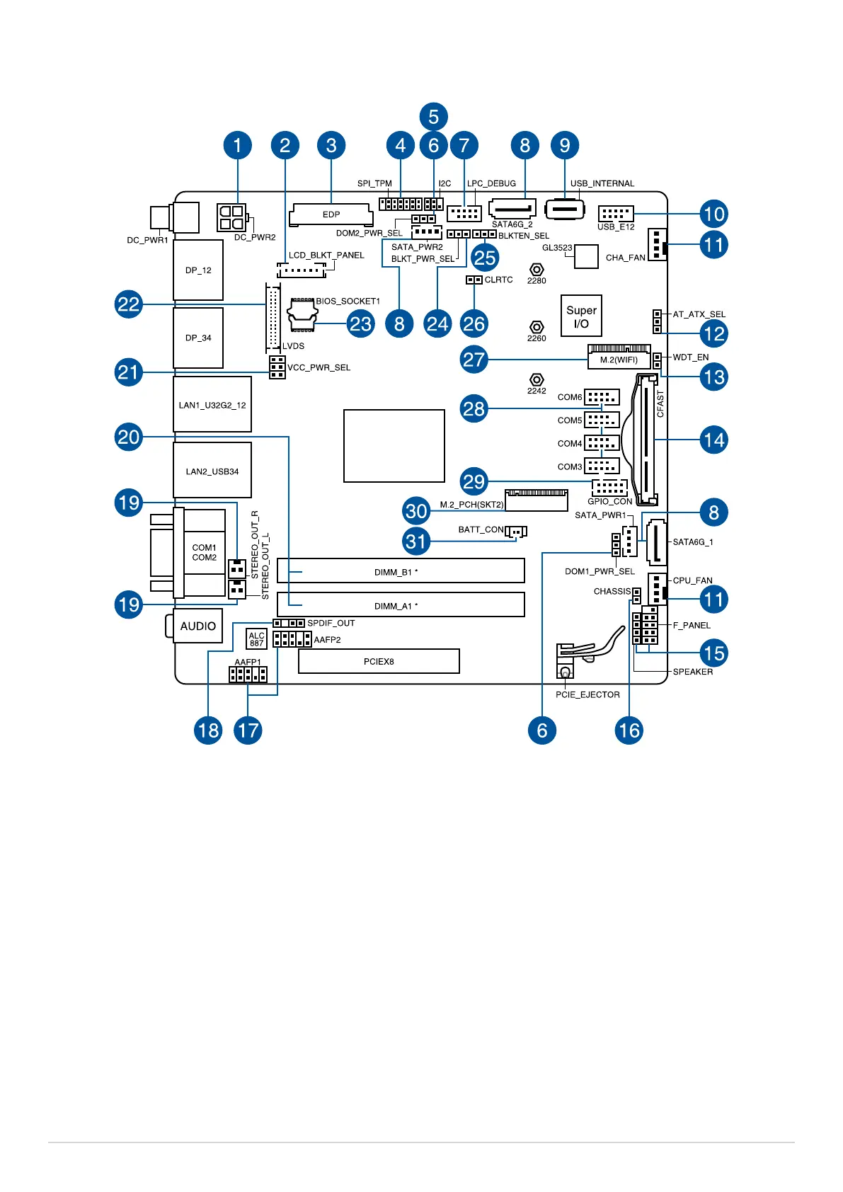
2.2 Motherboard layout

Bekijk gratis de handleiding van Asus R2314I-IM-A, stel vragen en lees de antwoorden op veelvoorkomende problemen, of gebruik onze assistent om sneller informatie in de handleiding te vinden of uitleg te krijgen over specifieke functies.

Productinformatie

MerkAsus
ModelR2314I-IM-A
CategorieNiet gecategoriseerd
TaalNederlands
Grootte5688 MB