Asus C5143ES-IM-AA handleiding

104 pagina's
PDF beschikbaar

Handleiding

Je bekijkt pagina 15 van 104
Single Board Computer
15
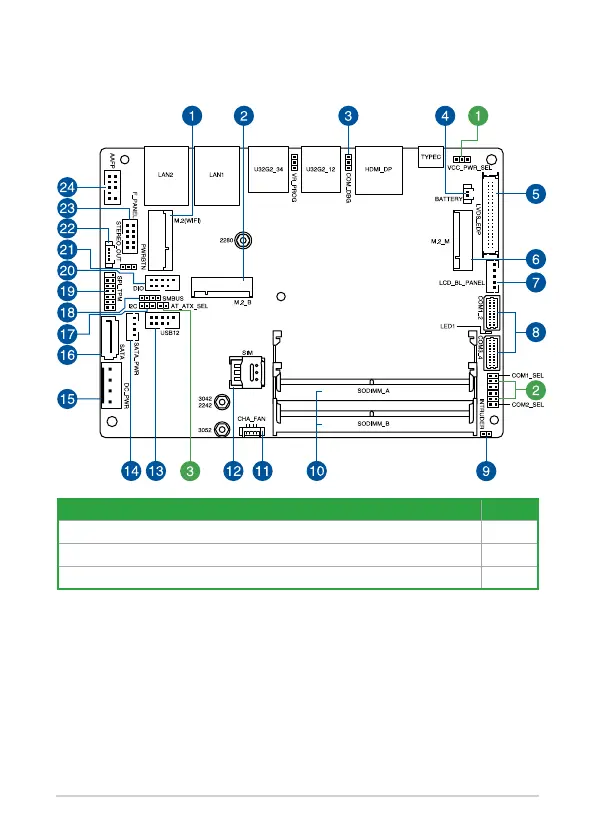
2.2 Motherboard layout
Jumpers Page
1. Display Panel VCC Power Selection jumper 18
2. COM +5V/+12V Selection jumper 18
3. AT/ATX Mode Configuration jumper 19

Bekijk gratis de handleiding van Asus C5143ES-IM-AA, stel vragen en lees de antwoorden op veelvoorkomende problemen, of gebruik onze assistent om sneller informatie in de handleiding te vinden of uitleg te krijgen over specifieke functies.

Productinformatie

MerkAsus
ModelC5143ES-IM-AA
CategorieNiet gecategoriseerd
TaalNederlands
Grootte5486 MB