Asrock 1U4LW-B650/2L2T handleiding
Handleiding
Je bekijkt pagina 59 van 62

1U4LW Series
52 53
English
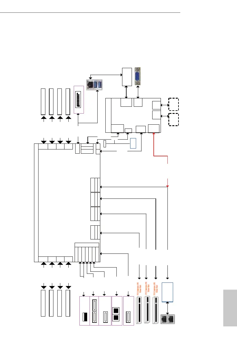
Block Diagram (ROMED8U-2T)
5
5
4
4
3
3
2
2
1
1
D D
C C
B B
A A
R/LRDIMM
8 DIMM Slots
1 x DDR4 LRDIMM/RDIMM
AMD Family 17h Processor
DDR4 DDR4DDR4
CPU
AMD EPYC 700x
PCI-E
Port G0
Port G2.6
Port G3.0~7
REALTEK
RTL8211E
10/100/1G PHY
DDR4 DDR4DDR4
1 x DDR4 LRDIMM/RDIMM
1 x DDR4 LRDIMM/RDIMM
1 x DDR4 LRDIMM/RDIMM
Port P1
DDR4 DRAM
(512MB )
BMC
AST2500
Ethernet
10/100/1000
Video
DAC
BMC &
VR AM
PCI-Express
USB
1.1 &
2.0
LPC
MAC2
SPI
SPI FLASH
(512Mb)
PCI-E Gen3
x1
LPC
PCIE Gen3 x 1
LPC
USB
USB2.0 x 2
TPM 2.0
PCI-E
G1 Port4
Port G2.0~3
x16
1 x DDR4 LRDIMM/RDIMM
1 x DDR4 LRDIMM/RDIMM
NCSI
USB 3.2 USB3.2 x 4
F_USB1
SIO
NCT6779
Ethernet
10/100/1000
MAC1
SLIM2
Port G3.8~15
PCIe Ge n4 x8
Slimline Conn.
PCIE Gen4 x 16
S AT A Ge n3 x 2
PCIE Gen4 x 16
PCIE5
SATA 7Pin
PCIe Ge n4 x8
MSAS_ HD0
Mini SAS HD
S AT A GE N3 x 8
Port P2
PCI-E
x16
Port G1 0~3
PCIE Gen3 x 4
INTEL
X710-AT2
10G
R/LRDIMM
R/LRDIMM
R/LRDIMM
R/LRDIMM
R/LRDIMM
SATA SGPIO Configuration
SATA0 , SATA1 use SGPIO_2
MSAS_HD0 use SGPIO_3
Port G2.4~5
Port G2.8~15
S AT A GE N4 x 4
SLIM1
Slimline Conn.
M2_1
M.2 Socket
Support:
1. SATA
2. PCIE
Port P0
PCI-E
x16
PCIe Ge n4 x16
PCIE4
PCIE6
PCI-E
x4
R/LRDIMM R/LRDIMM
DDR4
DDR4
1 x DDR4 LRDIMM/RDIMM1 x DDR4 LRDIMM/RDIMM
Share SATA
Size
Project Name
Rev
Date:
Sheet
of
Title :
Engineer:
C
1 129Wednesday, July 21, 2021
Asrockrack
000-BLOCK
R1.00
ROMED6U-2L2T
Eric Hu
<Variant Name>
Size
Project Name
Rev
Date:
Sheet
of
Title :
Engineer:
C
1 129Wednesday, July 21, 2021
Asrockrack
000-BLOCK
R1.00
ROMED6U-2L2T
Eric Hu
<Variant Name>
Size
Project Name
Rev
Date:
Sheet
of
Title :
Engineer:
C
1 129Wednesday, July 21, 2021
Asrockrack
000-BLOCK
R1.00
ROMED6U-2L2T
Eric Hu
<Variant Name>
Bekijk gratis de handleiding van Asrock 1U4LW-B650/2L2T, stel vragen en lees de antwoorden op veelvoorkomende problemen, of gebruik onze assistent om sneller informatie in de handleiding te vinden of uitleg te krijgen over specifieke functies.
Productinformatie
| Merk | Asrock |
| Model | 1U4LW-B650/2L2T |
| Categorie | Niet gecategoriseerd |
| Taal | Nederlands |
| Grootte | 8625 MB |
Caratteristiche Prodotto
| Breedte | 533.4 mm |
| Diepte | 438 mm |
| Hoogte | 44.4 mm |
| LED-indicatoren | Ja |
| Aan/uitschakelaar | Ja |







