Arecont Vision MegaVideo 4K AV08ZMV-300 handleiding
Handleiding
Je bekijkt pagina 12 van 19

Installation Manual
Page | 12 support@arecontvision.com
+1.818.937.0700 877.CAMERA.8 www.arecontvision.com avsales@arecontvision.com
MegaVideo® 4K
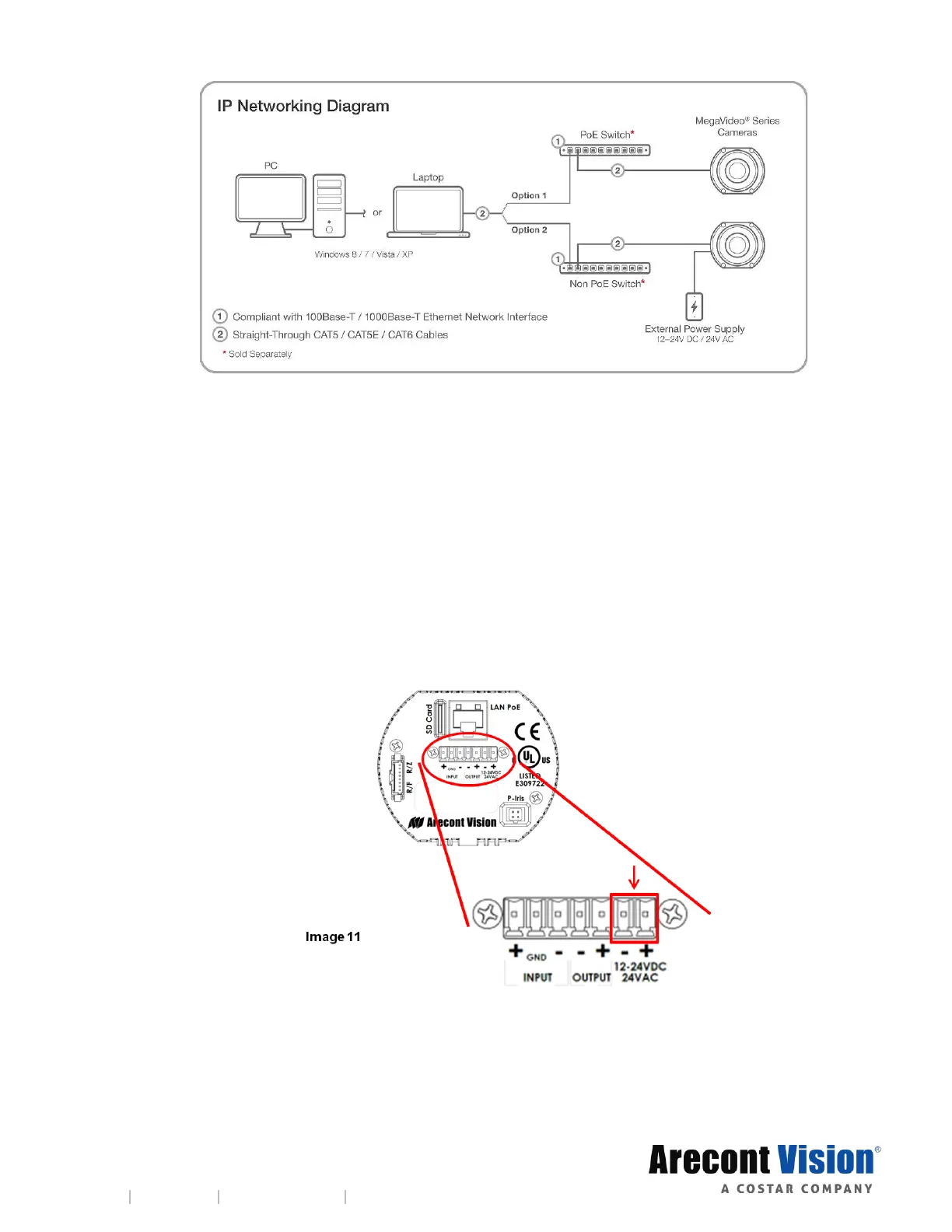
Auxiliary Power
If the camera is powered by an outside power supply, connect the power wires to the appropriate
contacts of the 7-postion connector using a small flathead screwdriver and connect the 7-position
plug to the camera as shown in Image 11.
NOTE 1: Ensure that the polarity of the DC input on the camera matches the way that wires are
installed in the connector.
NOTE 2: AC power does not have polarity.
NOTE: Cameras using auxiliary power with 802.1x enabled may need to manually power cycle the
camera to reconnect to the network.
Bekijk gratis de handleiding van Arecont Vision MegaVideo 4K AV08ZMV-300, stel vragen en lees de antwoorden op veelvoorkomende problemen, of gebruik onze assistent om sneller informatie in de handleiding te vinden of uitleg te krijgen over specifieke functies.
Productinformatie
Merk | Arecont Vision |
Model | MegaVideo 4K AV08ZMV-300 |
Categorie | Bewakingscamera |
Taal | Nederlands |
Grootte | 4067 MB |