Arctic Air APP71R handleiding

32 pagina's
PDF beschikbaar

Handleiding

Je bekijkt pagina 28 van 32
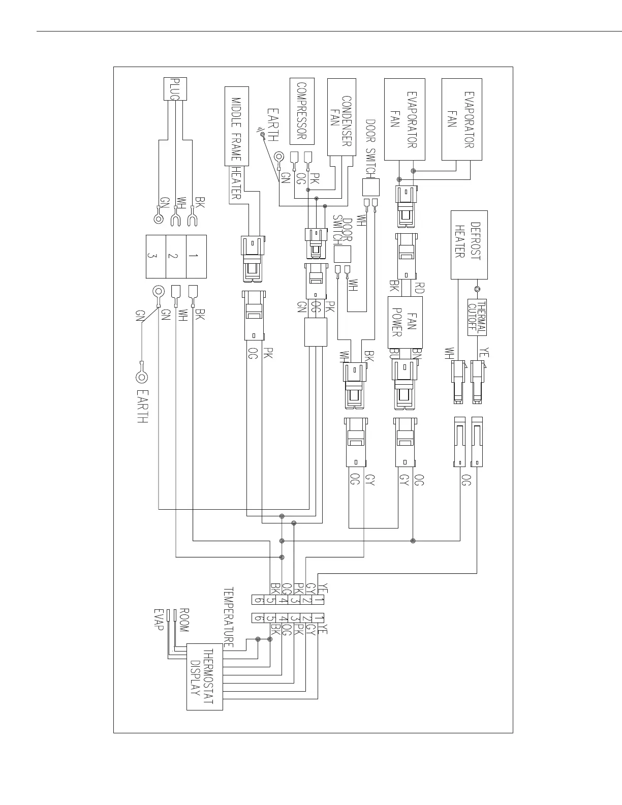
UNDER-COUNTER REFRIGERATORS AND FREEZER
Models: AUC48FZ/AUC60FZ

Bekijk gratis de handleiding van Arctic Air APP71R, stel vragen en lees de antwoorden op veelvoorkomende problemen, of gebruik onze assistent om sneller informatie in de handleiding te vinden of uitleg te krijgen over specifieke functies.

Productinformatie

MerkArctic Air
ModelAPP71R
CategorieNiet gecategoriseerd
TaalNederlands
Grootte2794 MB