Arctic Air APP48R handleiding

32 pagina's
PDF beschikbaar

Handleiding

Je bekijkt pagina 23 van 32
23
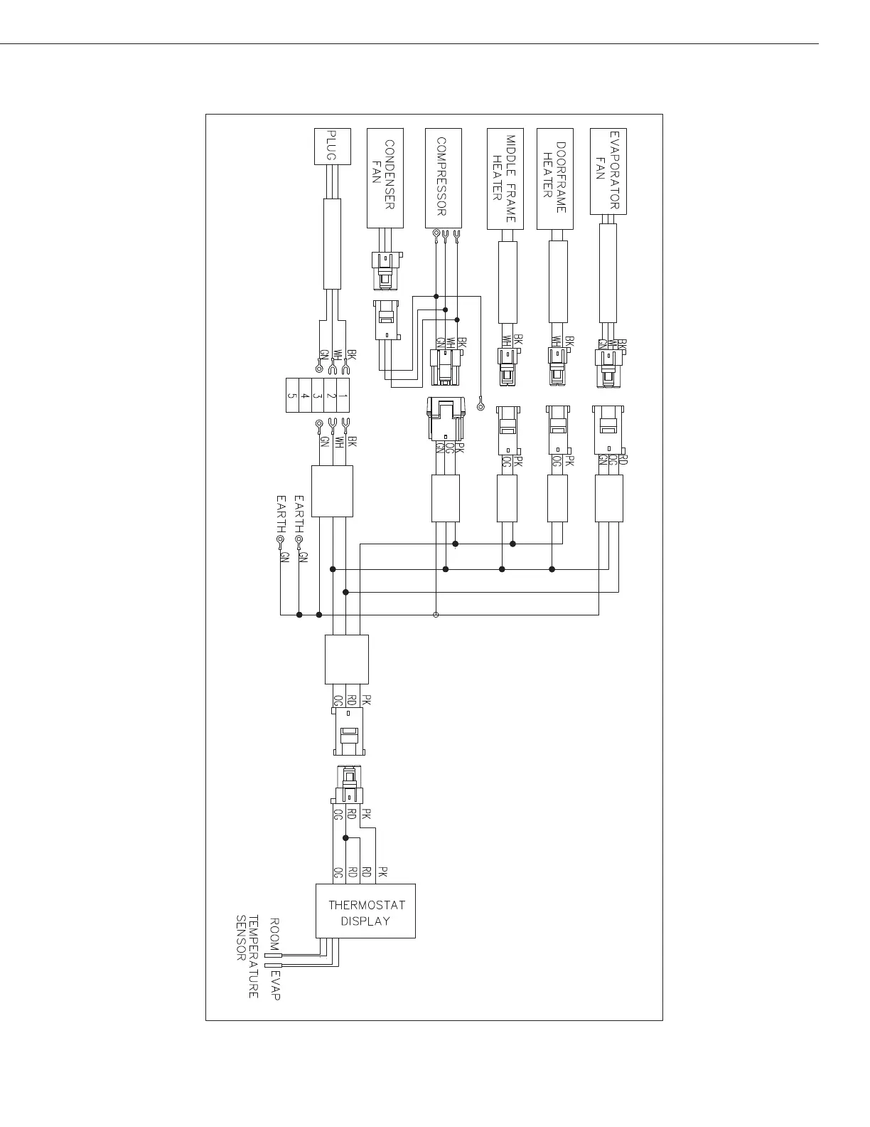
UNDER-COUNTER REFRIGERATORS AND FREEZERS
Models: AST48RZ / AST60RZ / AMT48RZ / AMT60RZ

Bekijk gratis de handleiding van Arctic Air APP48R, stel vragen en lees de antwoorden op veelvoorkomende problemen, of gebruik onze assistent om sneller informatie in de handleiding te vinden of uitleg te krijgen over specifieke functies.

Productinformatie

MerkArctic Air
ModelAPP48R
CategorieNiet gecategoriseerd
TaalNederlands
Grootte2794 MB