Apelson ALV-6000 WH handleiding
Handleiding
Je bekijkt pagina 19 van 192

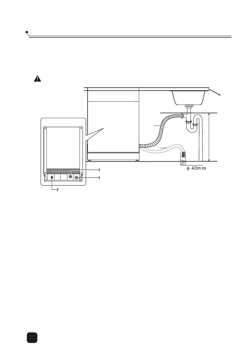
Connection Of Drain Hoses
Please securely fix the drain hose in either position A or position B
B
A
MAX 1000mm
Counter
Drain hose
Insert the drain hose into a drain pipe with a minimum diameter of 4 cm, or let it run
into the sink, making sure to avoid bending or crimping it. The height of drain pipe
must be less than 1000mm. The free end of the hose must not be immersed in water
to avoid the back flow of it.
Extension hose
Water outlet
How to drain excess water from hoses
Syphon connection
If the sink is 1000 higher from the floor, the excess water in hoses cannot be drained
directly into the sink. It will be necessary to drain excess water from hoses into a bowl
or suitable container that is held outside and lower than the sink.
Connect the water drain hose. The drain hose must be correctly fitted to avoid water
leaks. Ensure that the water drain hose is not kinked or squashed.
The waste connection must be at a height less than 100 cm (maximum) from the
bottom of the dish. The water drain hose should be fixed .
If you need a drain hose extension, make sure to use a similar drain hose.
It must be no longer than 4 meters; otherwise the cleaning effect of the dishwasher
could be reduced.
18
Back of dishwasher
Water Inlet
Drain Pipe
Mains Cable
EN
Bekijk gratis de handleiding van Apelson ALV-6000 WH, stel vragen en lees de antwoorden op veelvoorkomende problemen, of gebruik onze assistent om sneller informatie in de handleiding te vinden of uitleg te krijgen over specifieke functies.
Productinformatie
| Merk | Apelson |
| Model | ALV-6000 WH |
| Categorie | Vaatwasser |
| Taal | Nederlands |
| Grootte | 19379 MB |