American Audio CDG-350 handleiding
Handleiding
Je bekijkt pagina 19 van 24

©American Audio® - www.AmericanAudio.us - CDG-350 Instruction Manual Page 19
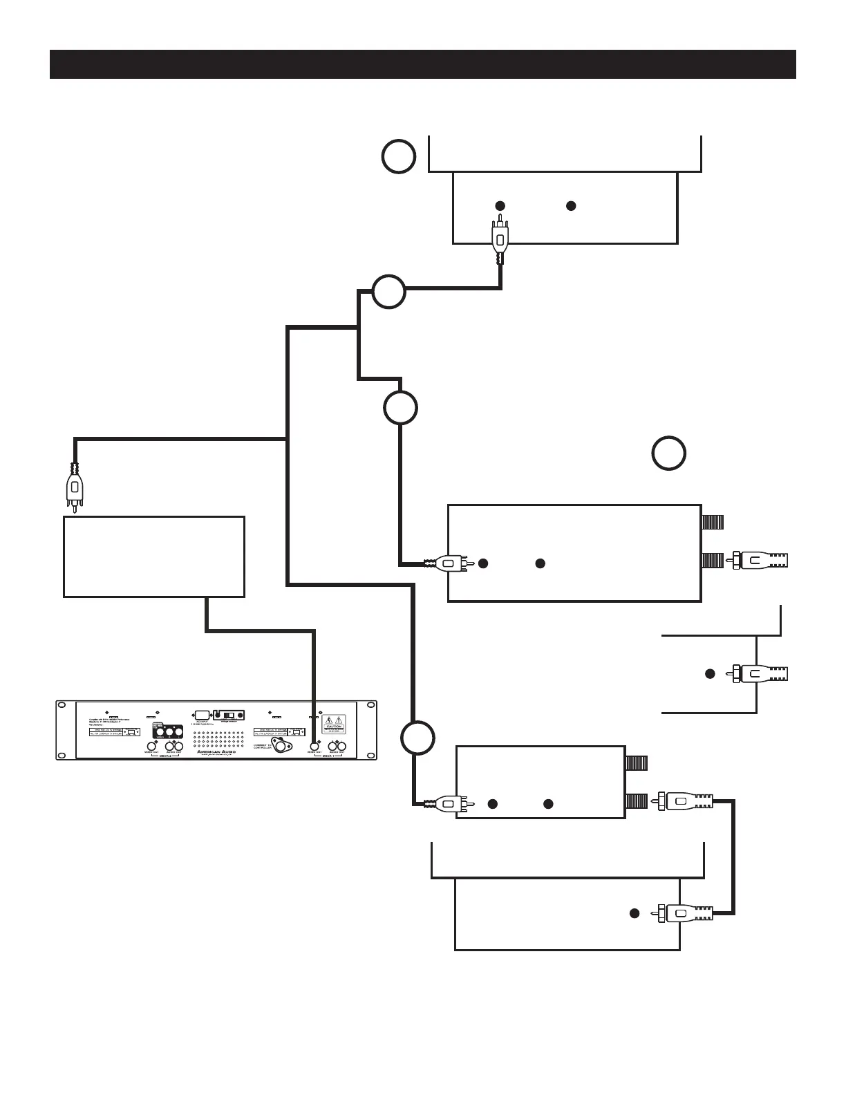
3 Ways To
Hook-Up Video
To Your T.V.
VIDEO OUT
1
REAR OF TV
VIDEO IN AUDIO IN
Option 1 is for TVs with
Video input(s) (RCA jacks)
Option 2 is for Tvs without video
input(s). Use WITH YOUR VCR
2
1
HOOK UP THROUGH A VCR
NOTE: WHEN CONNECTING TO A VCR
BE SURE IT IS SET TO "VIDEO IN"
MODE OTHERWISE NO GRAPHICS
WILL BE DISPLAYED.
VIDEO IN AUDIO IN
ANT IN
OUT
ANT. IN
HOOK UP THROUGH AN EXTERNAL
RF MODULATOR
ANT IN
OUT
VIDEO IN AUDIO IN
R.F. MOD
ANT. IN
TV
For TV systems without video
input(s).
KJ/DJ MIXER
WITH VIDEO
SWITCHER
VIDEO IN
3
2
VIDEO CONNECTION INSTRUCTIONS
Bekijk gratis de handleiding van American Audio CDG-350, stel vragen en lees de antwoorden op veelvoorkomende problemen, of gebruik onze assistent om sneller informatie in de handleiding te vinden of uitleg te krijgen over specifieke functies.
Productinformatie
| Merk | American Audio |
| Model | CDG-350 |
| Categorie | Niet gecategoriseerd |
| Taal | Nederlands |
| Grootte | 4011 MB |







