Alto-Shaam 300-S handleiding

56 pagina's
PDF beschikbaar

Handleiding

Je bekijkt pagina 46 van 56
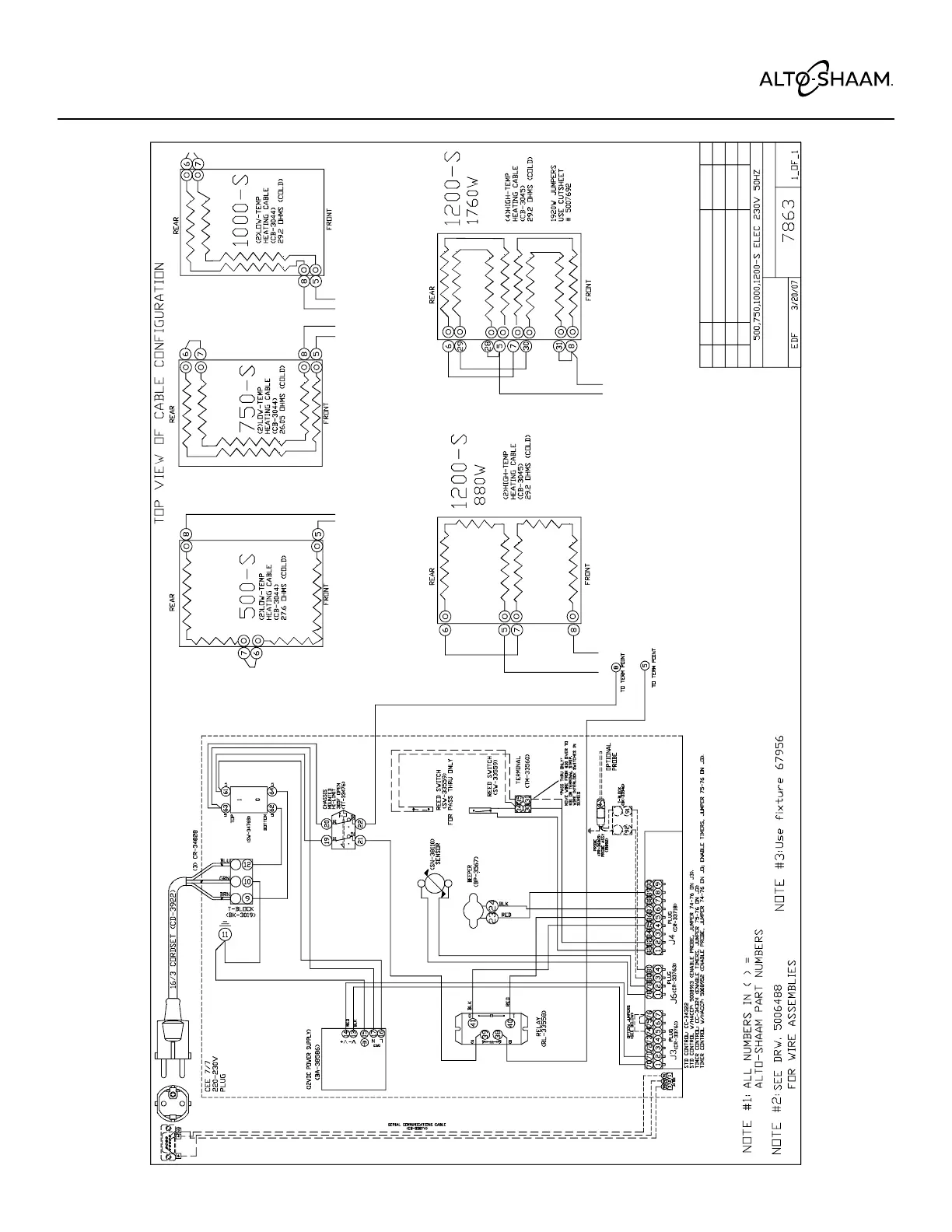
46 MN-29423 • Rev 6 • 02/18 • S-Series Hot Food Holding Cabinets
Wiring Diagrams







  








 

 


Bekijk gratis de handleiding van Alto-Shaam 300-S, stel vragen en lees de antwoorden op veelvoorkomende problemen, of gebruik onze assistent om sneller informatie in de handleiding te vinden of uitleg te krijgen over specifieke functies.

Productinformatie

MerkAlto-Shaam
Model300-S
CategorieNiet gecategoriseerd
TaalNederlands
Grootte8939 MB