Alpine TME-M860 handleiding
Handleiding
Je bekijkt pagina 23 van 24

22-NL
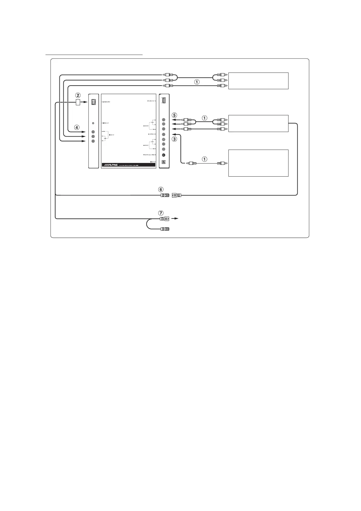
q RCA-verlengkabel (afzonderlijk verkocht)
w Voedingsconnector
e Camera-ingangsaansluiting
Gebruik deze als een achteruitrijcamera wordt
aangesloten.
r AUX video/audio-uitgangsaansluiting
Gebruik deze om een optionele monitor enz. aan te
sluiten.
t AUX video/audio-ingangsaansluiting
y Uitgangsstroomdraad afstandsbediening
(Wit/Bruin)
Sluit deze draad aan op de ingangsstroomdraad van de
afstandsbediening. Deze draad levert de stuursignalen
afkomstig van de afstandsbediening.
u Achteruitdraad (Oranje/Wit)
Sluit deze aan op de pluszijde van het achteruitrijlicht van
de auto dat aangaat als de transmissie in achteruit (R)
wordt geschakeld.
Schakelt het videobeeld naar de achteruitrijcamera. Dit
staat in verbinding met het in achteruitversnelling (R)
schakelen van de auto.
Als externe apparatuur wordt aangesloten
TME-M860 B.Box van het ingebouwde toestelgedeelte
Gebruik deze draad alleen als een achteruitrijcamera
is aangesloten.
Naar audio-ingangsaansluiting
Naar video-ingangsaansluiting
Naar audio-uitgangsaansluiting
Naar video-uitgangsaansluiting
Monitor voor achterin
(afzonderlijk verkocht)
TV-tuner of videorecoder
(afzonderlijk verkocht)
Achteruitrijcamera
(afzonderlijk verkocht)
(Wit/Bruin) REMOTE OUT
(Oranje/Wit) REVERSE
REMOTE IN (Wit/Bruin)
Bekijk gratis de handleiding van Alpine TME-M860, stel vragen en lees de antwoorden op veelvoorkomende problemen, of gebruik onze assistent om sneller informatie in de handleiding te vinden of uitleg te krijgen over specifieke functies.
Productinformatie
| Merk | Alpine |
| Model | TME-M860 |
| Categorie | Niet gecategoriseerd |
| Taal | Nederlands |
| Grootte | 3524 MB |







