Alpine TDM-7580R handleiding
Handleiding
Je bekijkt pagina 24 van 26

22-EN
A
A
Rch
SIG GND
Lch
Data Ground
Data Bus
Battery
Shield Ground
lgnition
Power Supply Ground
2
3
4
6
7
9
!
5
1
8
)
~
+
"
#
$
%
&
(
,
-
.
:
/
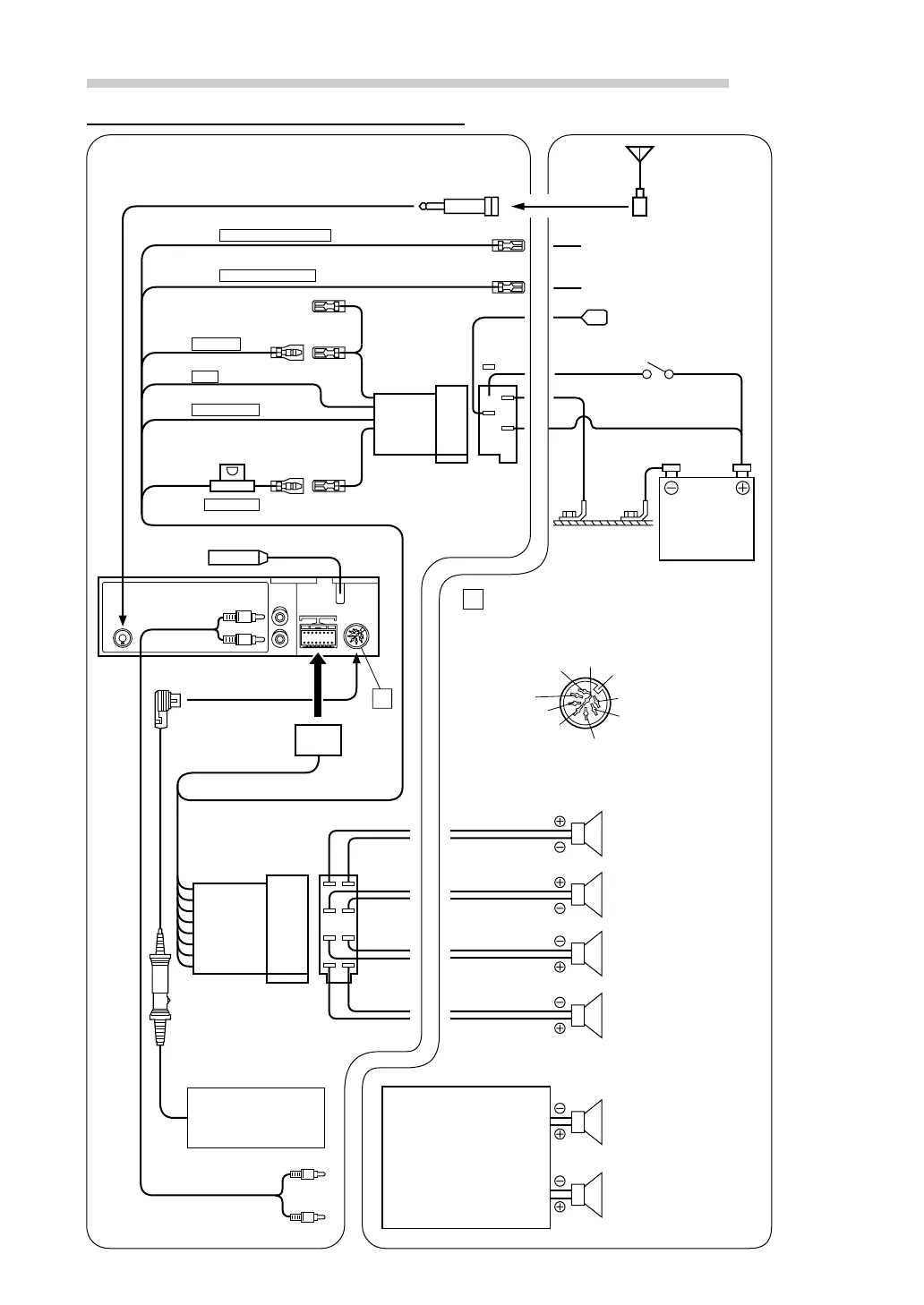
Installation and Connections
Connections
Antenna
To power antenna
Battery
DIN Connector PIN Configuration
Rear Right
Rear Left
Speakers
Speakers
Front Right
Front Left
Rear Right
Rear Left
ISO Antenna
Converter Plug
To amplifier or equalizer
ISO Antenna
Plug
Amplifier
(Sold Separately)
CD Changer
(Sold Separately)
Ignition Key
To vehicle phone
(Pink/Black)
(Blue/White)
(Red)
(Black)
(Blue)
(Yellow)
Green
Green/Black
White
White/Black
Gray/Black
Gray
Violet/Black
Violet
REMOTE TURN-ON
AUDIO INTERRUPT IN
IGNITION
GND
POWER ANT
BATTERY
Bekijk gratis de handleiding van Alpine TDM-7580R, stel vragen en lees de antwoorden op veelvoorkomende problemen, of gebruik onze assistent om sneller informatie in de handleiding te vinden of uitleg te krijgen over specifieke functies.
Productinformatie
| Merk | Alpine |
| Model | TDM-7580R |
| Categorie | Niet gecategoriseerd |
| Taal | Nederlands |
| Grootte | 2962 MB |







