Alpine TDM-7577R handleiding
Handleiding
Je bekijkt pagina 24 van 25

22-EN
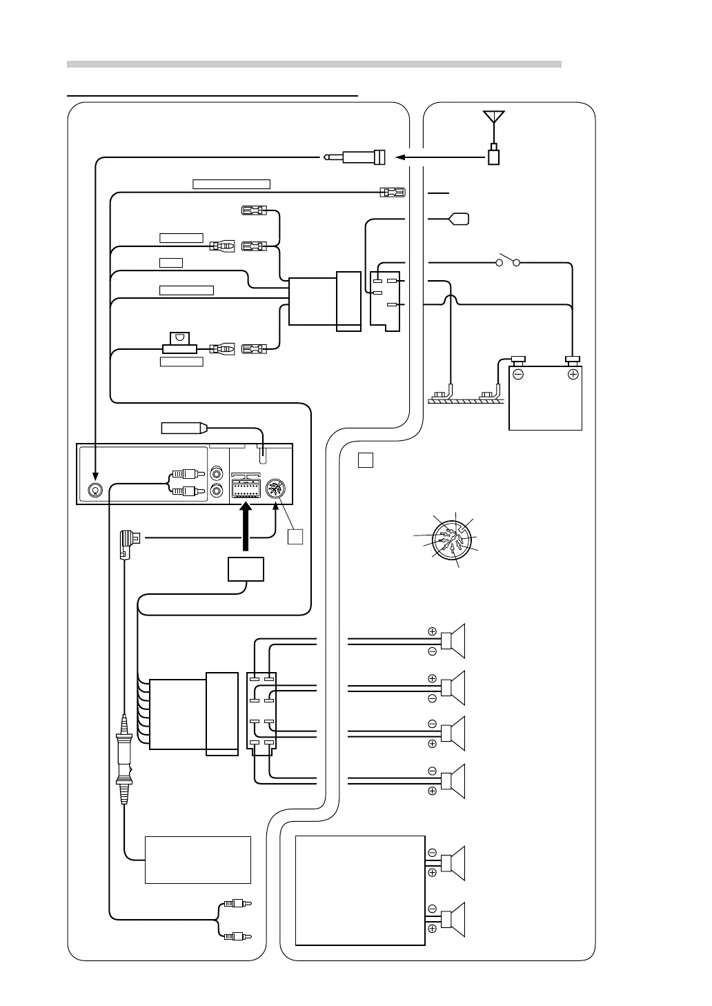
Installation and Connections
Connections
Antenna
To power antenna
Battery
DIN Connector PIN Configuration
Rear Right
Rear Left
Speakers
Speakers
Front Right
Front Left
Rear Right
Rear Left
ISO Antenna
Converter Plug
To amplifier or equalizer
ISO Antenna
Plug
Amplifier
(Sold Separately)
CD Changer
(Sold Separately)
REMOTE TURN-ON
BATTERY
IGNITION
GND
(Blue/White)
(Yellow)
Green
Green/Black
White
White/Black
Grey/Black
Grey
Violet/Black
Violet
(Red)
POWER ANT(Blue)
(Black)
A
A
Rch
SIG GND
Lch
Data Ground
Data Bus
Battery
Shield Ground
lgnition
Power Supply Ground
2
3
4
6
7
9
!
5
1
8
)
~
+
"
#
$
%
&
(
,
-
.
/
Ignition Key
Bekijk gratis de handleiding van Alpine TDM-7577R, stel vragen en lees de antwoorden op veelvoorkomende problemen, of gebruik onze assistent om sneller informatie in de handleiding te vinden of uitleg te krijgen over specifieke functies.
Productinformatie
| Merk | Alpine |
| Model | TDM-7577R |
| Categorie | Niet gecategoriseerd |
| Taal | Nederlands |
| Grootte | 2892 MB |







