Alpine IVA-D310 handleiding
Handleiding
Je bekijkt pagina 82 van 84

80-EN
01GB07IVA310.fm
ALPINE IVA-D310 68-02278Z28-A (EN)
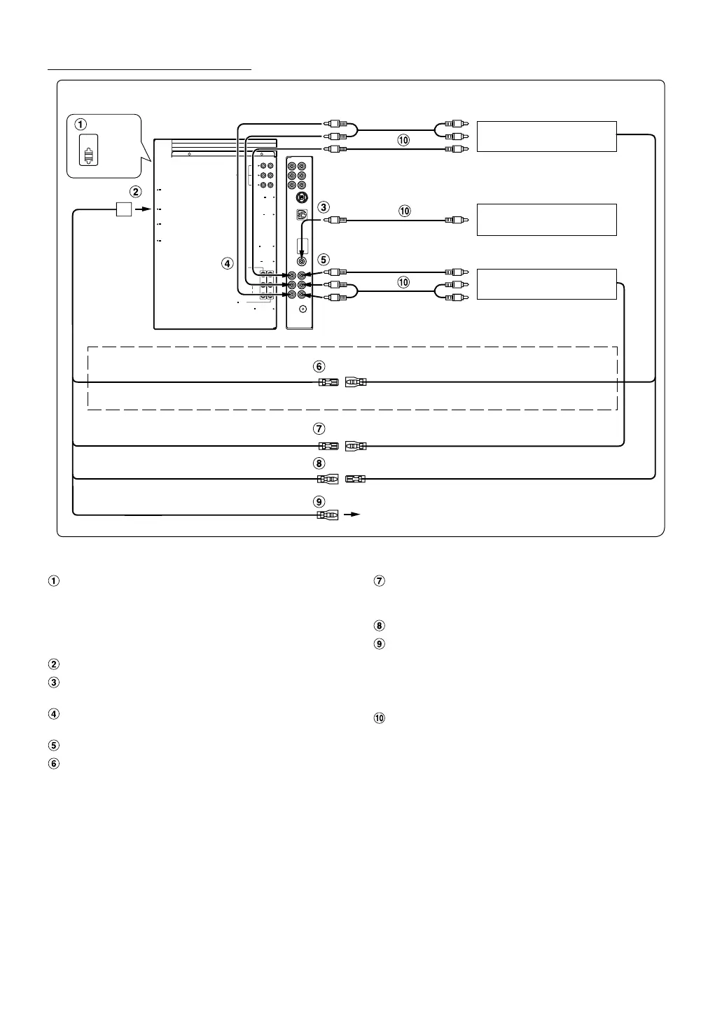
When Connecting External Equipment
DISPLAY OUT
NAVIGATION IN
REMOTE IN/ OUT
PRE IN/OUT
Ai-NET
FRONT
L
R
SUBW.
REAR
POWER SUPPLY
AUX OUT
AUX IN
VIDEO
AUDIO
(MONO)
R
L
RADIO ANTENNA IN
CAMERA IN
AV SELECTOR
EXT.OUT
NORM
EQ/DIV
IVA-D310
Tuner BOX
To Audio Input terminal
System Switch
When connecting an equalizer or divider using Ai-NET
feature, place this switch in the EQ/DIV position. When no
device is connected, leave the switch in the NORM position.
• Be sure to turn the power off to the unit before changing the
switch position.
Remote IN/OUT Terminal
CAMERA Input Terminal
Use when connecting a back-up camera.
AUX Video/Audio Output Terminal
Use when connecting an optional monitor etc.
AUX Video/Audio Input Terminal
Monitor Control Lead (White/Pink)
Connect this to the Monitor Control Lead of the touch panel-
compatible rear monitor.
Remote Control Output Lead (White/Brown)
Connect this lead to the remote control input lead. This lead
outputs the controlling signals from the remote control.
Remote Control Input Lead (White/Brown)
Connect to the plus side of the car’s reverse lamp
which lights when the transmission is shifted into
reverse (R).
Switches the video picture to the back-up camera.
This is linked to putting the car into reverse (R).
RCA Extension Cable (Sold separately)
To Video Input terminal
To Video Output terminal
To Video Output terminal
To Audio Output terminal
Rear monitor
(Sold Separately)
Back-up camera
(Sold Separately)
TV Tuner or VCR
(Sold Separately)
(White/Pink) M.CONT M.CONT (White/Pink)
(White/Brown) REMOTE OUT REMOTE IN (White/Brown)
(White/Brown) REMOTE IN
REMOTE OUT (White/Brown)
(Orange/White) REVERSE
Use only when back-up camera is connected.
* Connect this to the touch panel-compatible rear monitor.
01GB00IVAD310.book Page 80 Wednesday, December 1, 2004 4:20 AM
Bekijk gratis de handleiding van Alpine IVA-D310, stel vragen en lees de antwoorden op veelvoorkomende problemen, of gebruik onze assistent om sneller informatie in de handleiding te vinden of uitleg te krijgen over specifieke functies.
Productinformatie
| Merk | Alpine |
| Model | IVA-D310 |
| Categorie | Niet gecategoriseerd |
| Taal | Nederlands |
| Grootte | 14652 MB |







