Allen-Heath MixWizard WZ3 handleiding
Handleiding
Je bekijkt pagina 25 van 30

WZ
3
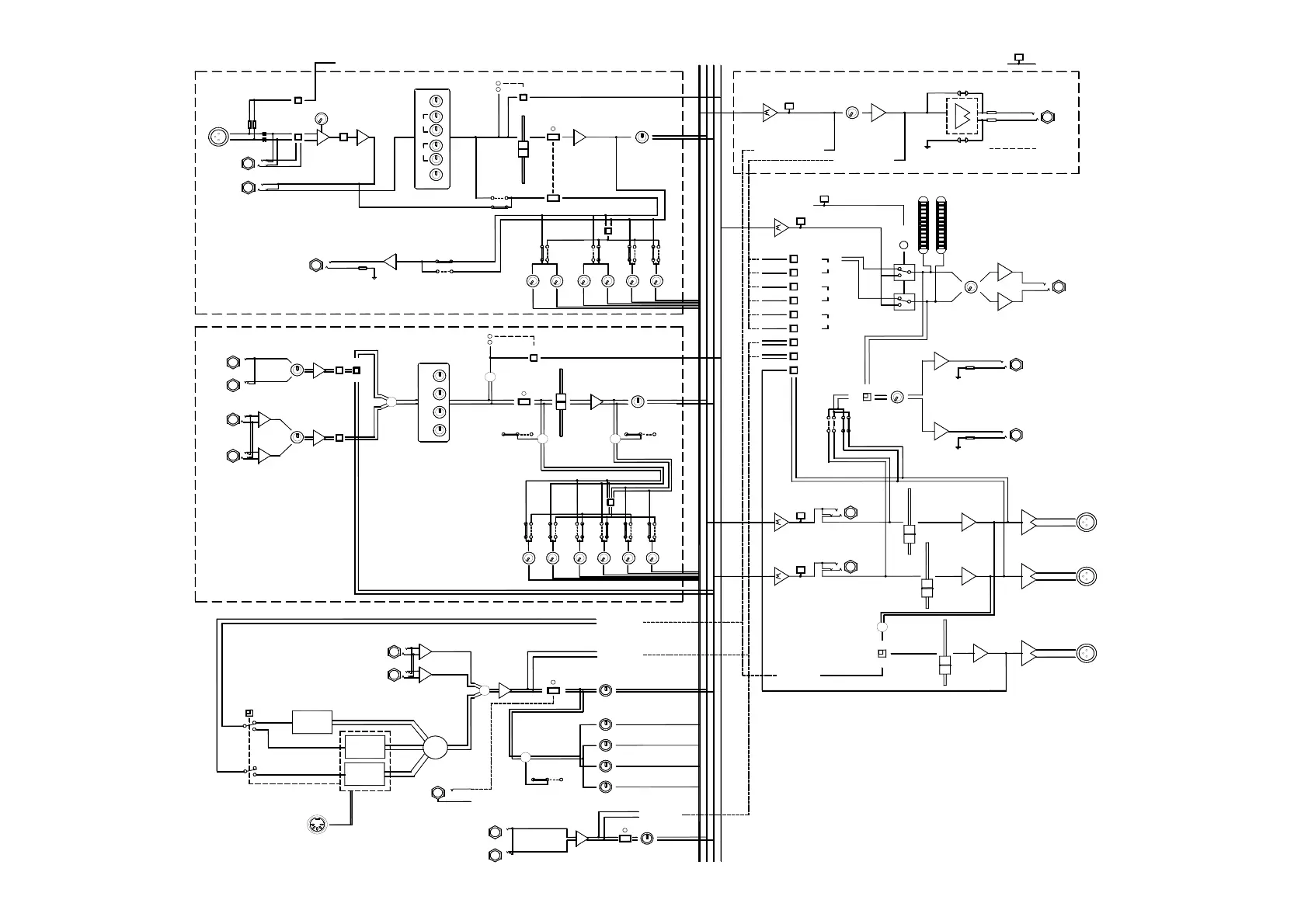
16:2 and 12:2 User Guide 25
B OUT
TIP= +
TIP= +
A OUT
A-B
-2dBu IMPEDANCE BALANCED
A
B
C
D
FEJUMPER GH
IJKL
CN4
BADCFEHGJ IL KJUMPER OPTIONS
P = PRE-FADE
S = SWITCHED
A = POST-FADE
MS MS
CN5
PRE-FADE POST-FADE
R
PRE
LRL
SM
MONO/STEREO AUX SOURCE
JP1
A = POST-FADE
S = SWITCHED
P = PRE-FADE
0dBu
INSERT
+
AUX4
AUX3
FROM AUX5,6
EFFECTS
AUX5,6 TO FX, AUX6 TO C
FOOTSWITCH
+
MIDI PARAMETER EDIT
EFFECT
EFFECT
1-8
1-16
DUAL
EFFECT
SINGLE
9-16
AUX 5
AUX 6
MODE
RIGHT
LEFT
PFL
AUX MIX
PAN
AUX 1-6
S
6
PRE
SA
5
4
SP
3
A
MUTE
+
SUM
HF
LM
LF
+
HM
ON
GAIN
ON
GAIN
LR
CH
4 BAND EQUALISER
FADER
+
-
L/M
INPUT ST2(4)
+
-
R
DUAL STEREO INPUTS
SIG
PK
INPUT ST1(3)
L/M
R
++
PRE
MONO/STEREO AUX
6
SAA
4
S
5
S
3
P SPPS
2
S
AUX
P
1
PAN
MUTE
PFL
PK
SIG
ST2 TO LR
MIC/LINE INPUTS
48V
HPF
LINE (PAD)
-20dB
GAIN
-
+
TIP= SEND
RING= RETURN
2= +
MIC
TIP= +BALANCED
LINE
L
R
SL
SL
SL
SL
SL
SL
SYS-LINK CONNECTION
AUX OUT
TIP= +
-2dBu
IMPEDANCE BALANCED
+4dBu BAL OPTION
R
L
HEADPHONES
LEV
ACTIVE
PFL
MONITOR
MONITOR METERS
MASTER
AUX1-6 TO MONITOR
PFL DC
PFL MIX
AUX3
MONITOR SELECT
STEREO 1-2
AUX2
AUX1
AUX SENDS 1-6
A-B
LEV
MONITOR
L-R
+4dBu
BAL
BAL
L-R
2 = +
2 = +
RIGHT OUT
LEFT OUT
+4dBu
BAL
2 = +
M OUT
+4dBu
R FADER
-2dBu
-2dBu
L FADER
M FADER
SUM
+
AUX6
MONO SUM
STEREO 5-6
AUX6
AUX5
AUX4
M
ALL UP= L-R
ST6
ST5 (EFFECTS)
POST-FADE
L MIX
FROM AUX6
R MIX
INSERT
INSERT
STEREO 3-4
STEREO RETURN
M
FADER
PFL
PHANTOM POWER
LF
HM
4 BAND EQUALISER
LM
HF
S
2
AUX
1
P
PRE-FADE
POST-FADE
PRE-INSERT, PRE-EQ
POST-EQ
0dBu
RING= -
TIP= +
WZ3 12:2
DIRECT OUT
IMPEDANCE BALANCED
LR
TO MONITOR
MUTE
SUM
AUX2
AUX1
SUM
+
-
+
-
L/M
R
BALANCED 0dBu
+
LR
TO MONITOR
ST6 IN (EXT EFFECTS IN)
ST6 IN
L/M
R
STEREO RETURN
UNBALANCED -2dBu
WZ
3
12:2
Bekijk gratis de handleiding van Allen-Heath MixWizard WZ3, stel vragen en lees de antwoorden op veelvoorkomende problemen, of gebruik onze assistent om sneller informatie in de handleiding te vinden of uitleg te krijgen over specifieke functies.
Productinformatie
Merk | Allen-Heath |
Model | MixWizard WZ3 |
Categorie | Niet gecategoriseerd |
Taal | Nederlands |
Grootte | 8618 MB |