Akai MX5 handleiding
Handleiding
Je bekijkt pagina 12 van 63

4
Telecom a n d a
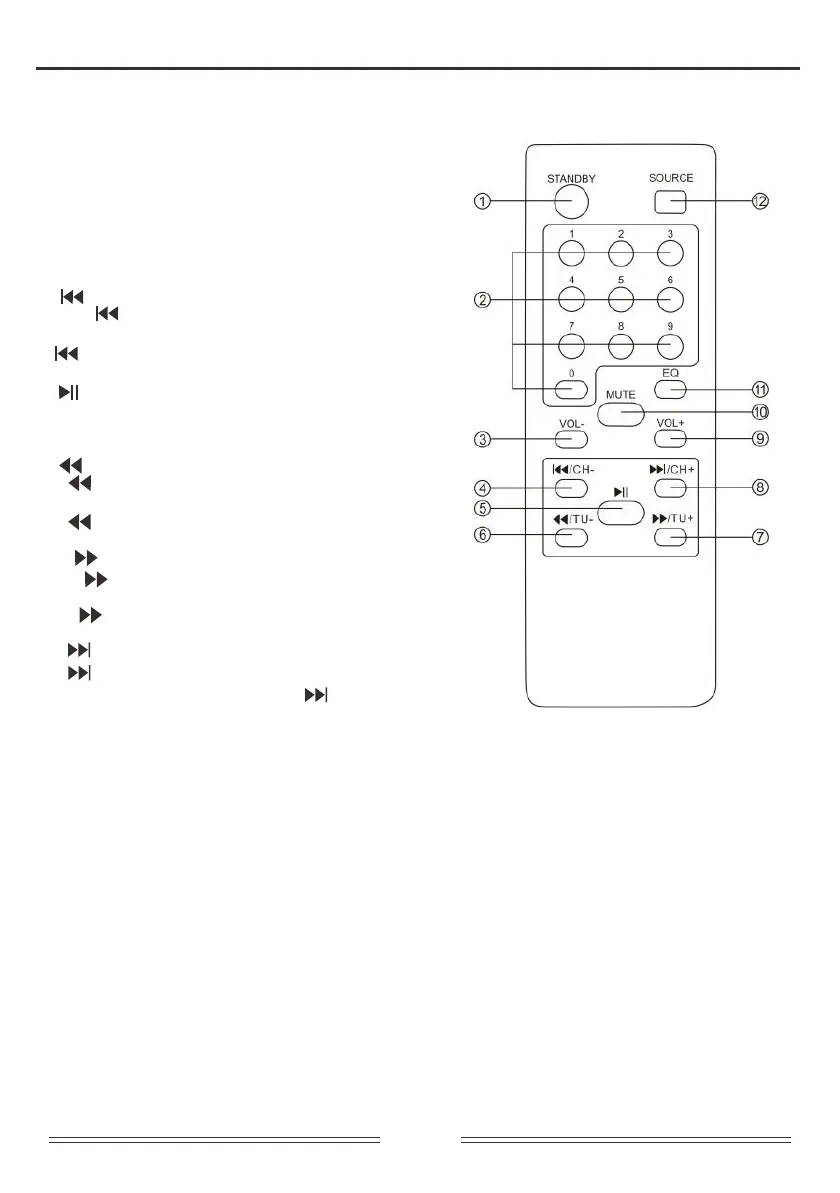
1) STANDBY: Standby pornit/oprit.
2) TASTE NUMERICE 0~9: Aceste taste sunt
utilizate pentru a reda o piesă direct în modul
sursă USB sau o frecvență direct în modul FM.
Ex: Pentru a reda a 12-a piesă din lista de redare
USB, apăsați tasta numerică "1" urmată de "2".
3) VOL-: Pentru a reduce volumul.
4) /CH-: Redați melodia anterioară prin apăsarea
“ /CH-" în modul de intrare USB/BT
Alegeți canalul anterior prin apăsarea
/CH-" în modul de intrare FM.
5) : Redare / pauză în modul USB/BT. În
modul FM, apăsați pentru căutare automată
completă.
6) /TU-: Derulați rapid înapoi o melodie prin apăsarea
/TU-" în modul de intrare USB.
Alegeți postul de radio prin apăsarea
" /TU-" în modul de intrare FM.
7) /TU+: Derulați rapid înainte melodia apăsând
" /TU+" în modul de intrare USB.
Alegeți canalul de radio prin apăsarea
" /TU+" în modul de intrare FM.
8) /CH+ : Redați următoarea melodie prin apăsarea
" /CH+" în modul de intrare USB/BT.
Alegeți postul următor prin apăsarea " /CH+"
în modul de intrare FM.
9) VOL+ : Pentru a crește volumul.
10) MUTE : Apăsați pentru a porni/opri
dezactivarea sunetului.
11)
EGALIZATOR:
Apăsați pentru a schimba egalizatorul între EQ 1 (NORMAL), EQ2 (ROCK),
EQ 3(POP), EQ 4 (CLASSIC), EQ 5 (JAZZ), EQ 6 (COUNTRY).
12) SURSA: Apăsați pentru a schimba sursa între BT, CABLU, COAXIAL, OPTIC, FM, USB.
Bekijk gratis de handleiding van Akai MX5, stel vragen en lees de antwoorden op veelvoorkomende problemen, of gebruik onze assistent om sneller informatie in de handleiding te vinden of uitleg te krijgen over specifieke functies.
Productinformatie
| Merk | Akai |
| Model | MX5 |
| Categorie | Niet gecategoriseerd |
| Taal | Nederlands |
| Grootte | 12954 MB |







