Handleiding
Je bekijkt pagina 333 van 339

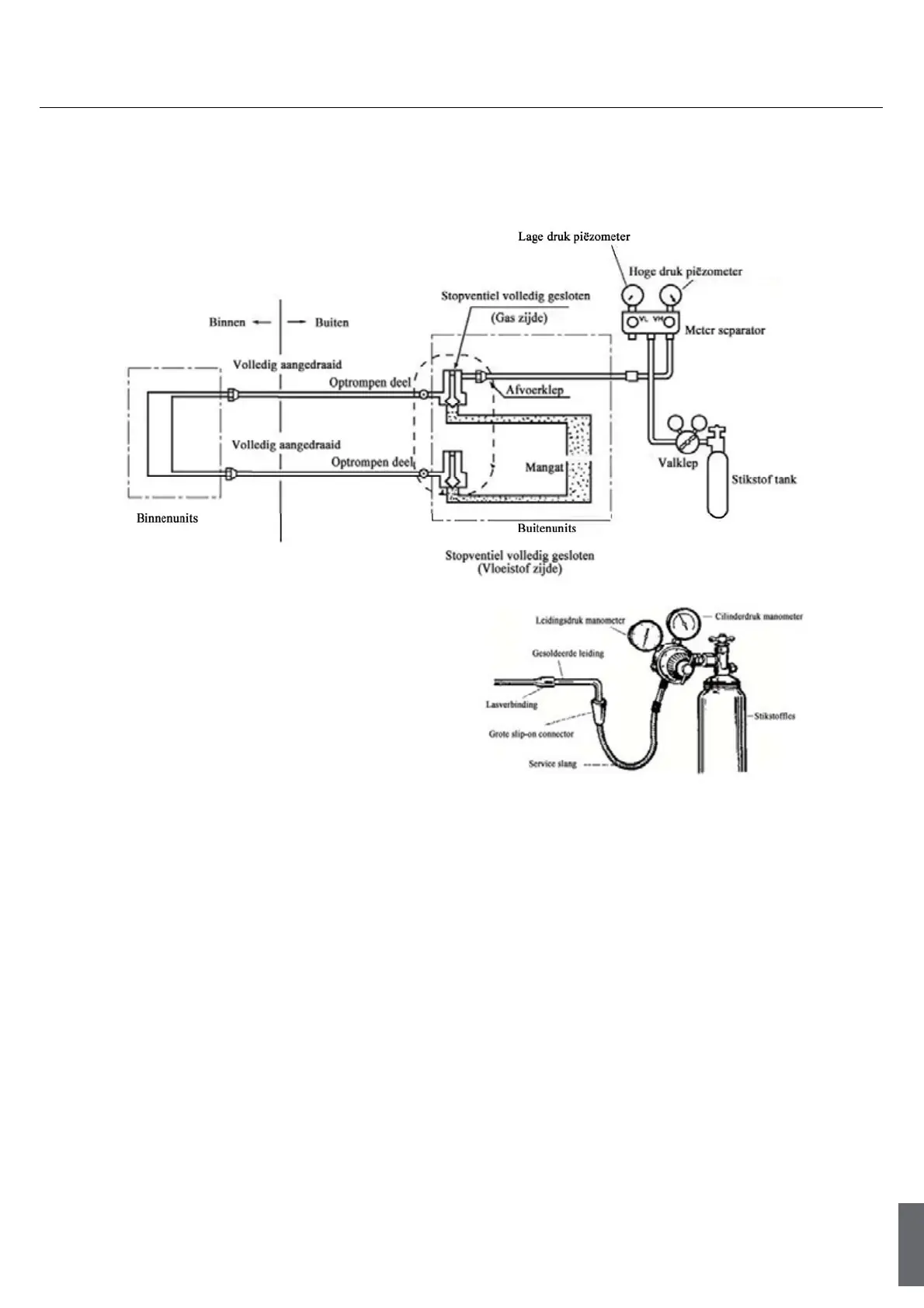
Montage Procedure
Luchtdichtheidstest
Na het beëindigen van de aansluiting van de koelmiddelleiding, zal de luchtdichtheid test worden uitgevoerd.
• In de luchtdichtheid test wordt stikstoftank gebruikt om druk op te bouwen volgens de buisverbinding modus
zoals onderstaand afgebeeld.
• De gas- en vloeistof ventielen zijn allemaal dicht. Om het invoeren van stikstof in het circulatiesysteem van de
buitenunit te voorkomen: draai de ventielstang vast alvorens het opbouwen van de druk (zowel gas- en
vloeistof ventielstangen).
1) Onderdruk voor meer dan 3 minuten bij 0.3MPa
(3.0 kg/cm
2
g).
2) Onderdruk voor meer dan 3 minuten bij 1.5MPa (15
kg/cm
2
g). Een grote lekkage wordt gevonden.
3) Onderdruk gedurende ongeveer 24 uur bij 3.0MPa
(30 kg/cm
2
g). Een klein lekkage wordt gevonden.
• Controleer of de druk daalt
Als de druk niet daalt, is het resultaat van de test
positief
Als de druk daalt, zoek dan het lekkende punt.
Bij een onderdruk gedurende 24 uur, zal een
variatie van 1 ° C van de omgevingstemperatuur
een variatie van 0,01 MPa (0,1 kg / cm2G) druk veroorzaken. Dat zal tijdens de test worden gecorrigeerd.
• Zoeken van het lekkende punt
In de procedure van 1) tot 3), als de druk daalt, controleer dan de lekkage bij elke verbinding door luisteren,
aanraken, het gebruik van zeepwater etc. om het lekkende punt te identificeren. Na het vaststellen van het
lekkende punt: las de verbinding opnieuw of draai de moer stevig opnieuw vast.
22
Nederlands
Bekijk gratis de handleiding van Aiwa SUIJINAIR 9 ACD-9200, stel vragen en lees de antwoorden op veelvoorkomende problemen, of gebruik onze assistent om sneller informatie in de handleiding te vinden of uitleg te krijgen over specifieke functies.
Productinformatie
| Merk | Aiwa |
| Model | SUIJINAIR 9 ACD-9200 |
| Categorie | Airco |
| Taal | Nederlands |
| Grootte | 51000 MB |







