Aiphone GT-SW handleiding
Handleiding
Je bekijkt pagina 8 van 52

- 8 -
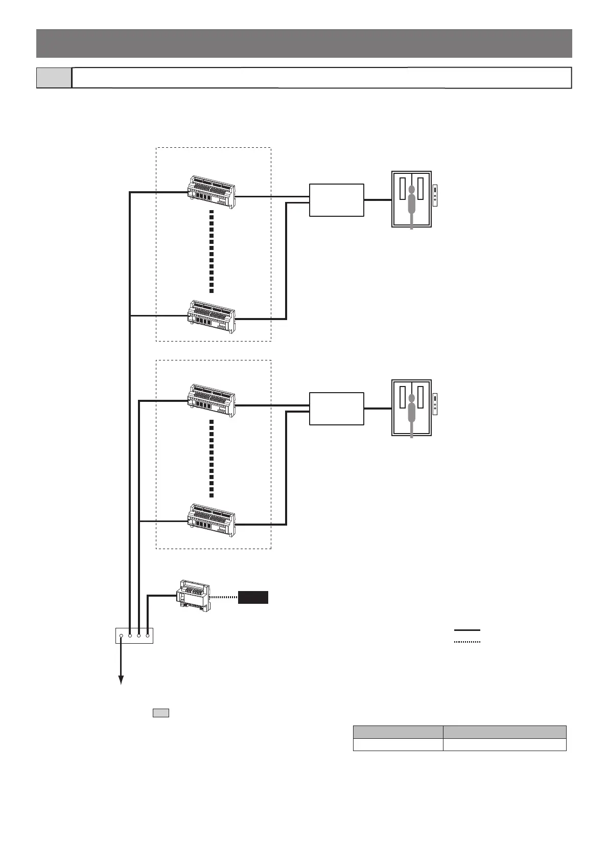
Lift control system confi guration (for expanded system only)1-4
DP
PS24
Lift control adaptor 9 to16
GTW-LC
Lift control adaptor 1 to 8
GTW-LC
Lift controller
(third party product)
Trunk 2
Trunk 1
Lift
(third party product)
Lift
(third party product)
Lift controller
(third party product)
To the expanded bus control unit
GT-BCXB-N
(See section
1-2
.)
Bus control unit
GT-BC
Device Capacity
Lift control adaptor Max. 16 (max. 8 per trunk)
DP: Distribution Point
(Not provided by
Aiphone except for
Europe and North
America.)
: Signal line
: Power supply line
Bekijk gratis de handleiding van Aiphone GT-SW, stel vragen en lees de antwoorden op veelvoorkomende problemen, of gebruik onze assistent om sneller informatie in de handleiding te vinden of uitleg te krijgen over specifieke functies.
Productinformatie
| Merk | Aiphone |
| Model | GT-SW |
| Categorie | Niet gecategoriseerd |
| Taal | Nederlands |
| Grootte | 9766 MB |
Caratteristiche Prodotto
| Kleur van het product | Black, White |
| Gewicht | - g |
| Hoogte | - mm |
| Touchscreen | Nee |
| Montagewijze | Muur |







