Aiphone GT-SW handleiding
Handleiding
Je bekijkt pagina 6 van 52

- 6 -
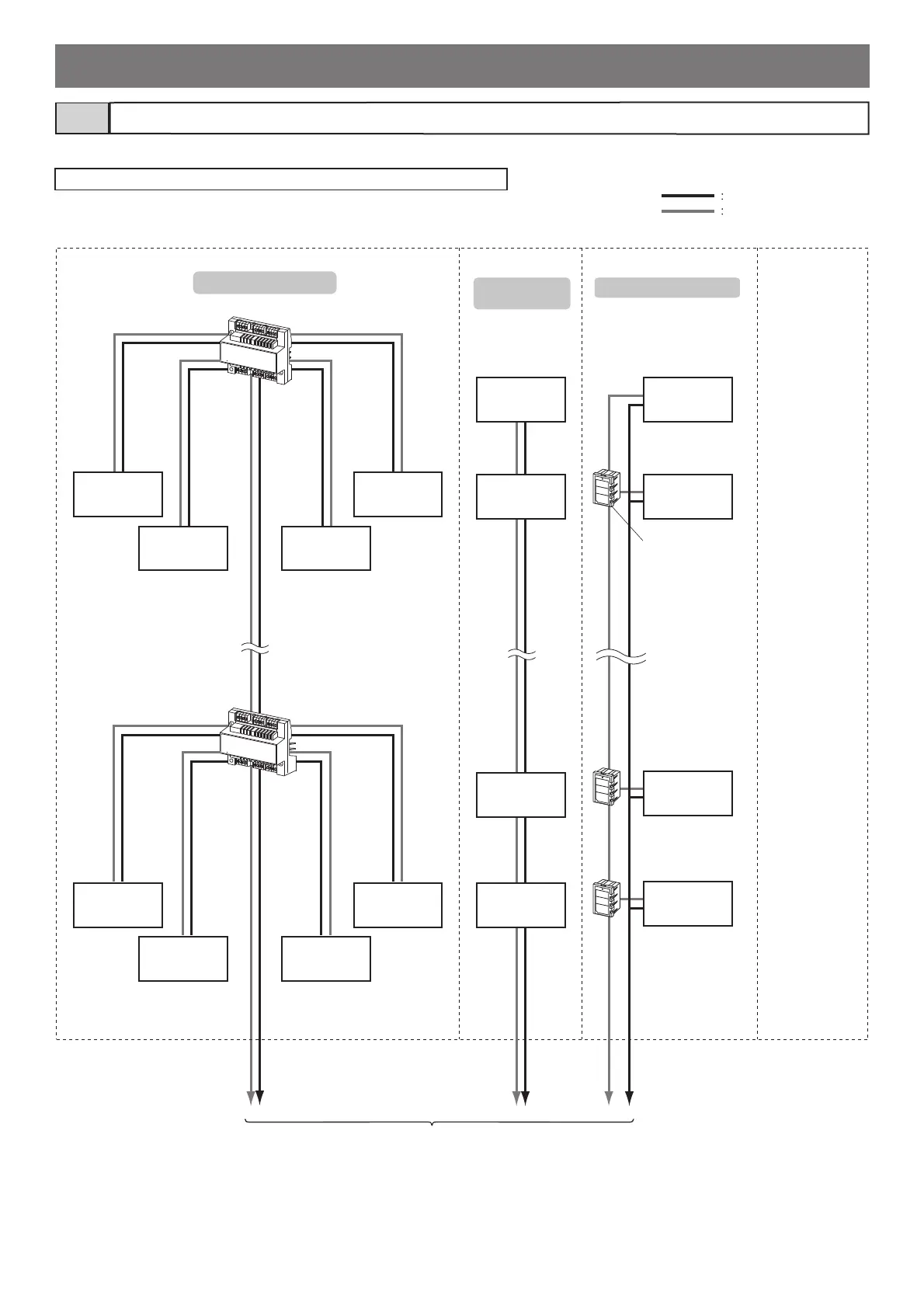
Audio signal line
Video signal line
4-way video junction unit
GT-4Z
GT-4Z
GT-1Z
GT-1Z
Trunk line 1
Residential/
tenant st.
Residential/
tenant st.
Residential/
tenant st.
Residential/
tenant st.
Residential/
tenant st.
Residential/
tenant st.
Residential/
tenant st.
Residential/
tenant st.
Residential/
tenant st.
Residential/
tenant st.
Residential/
tenant st.
Residential/
tenant st.
Residential/
tenant st.
Residential/
tenant st.
Residential/
tenant st.
Residential/
tenant st.
To each control unit
Trunk line 3 Trunk line
4 to 6
* Select one of
the same
wiring methods
as trunk lines 1
to 3.
Trunk line 2
GT-4Z wiring method
Loop wiring
method
GT-1Z wiring method
For wiring from the control units to each residence/tenant, GT-4Z wiring method, loop wiring method, or GT-1Z wiring method is possible.
NOTE: Mixing different wiring methods on the same trunk line is not allowed.
Residential/tenant station confi guration1-3
Video 1-zone
divider
GT-1Z
Bekijk gratis de handleiding van Aiphone GT-SW, stel vragen en lees de antwoorden op veelvoorkomende problemen, of gebruik onze assistent om sneller informatie in de handleiding te vinden of uitleg te krijgen over specifieke functies.
Productinformatie
| Merk | Aiphone |
| Model | GT-SW |
| Categorie | Niet gecategoriseerd |
| Taal | Nederlands |
| Grootte | 9766 MB |
Caratteristiche Prodotto
| Kleur van het product | Black, White |
| Gewicht | - g |
| Hoogte | - mm |
| Touchscreen | Nee |
| Montagewijze | Muur |







