Aiphone GT-104HB handleiding
Handleiding
Je bekijkt pagina 32 van 52

- 32 -
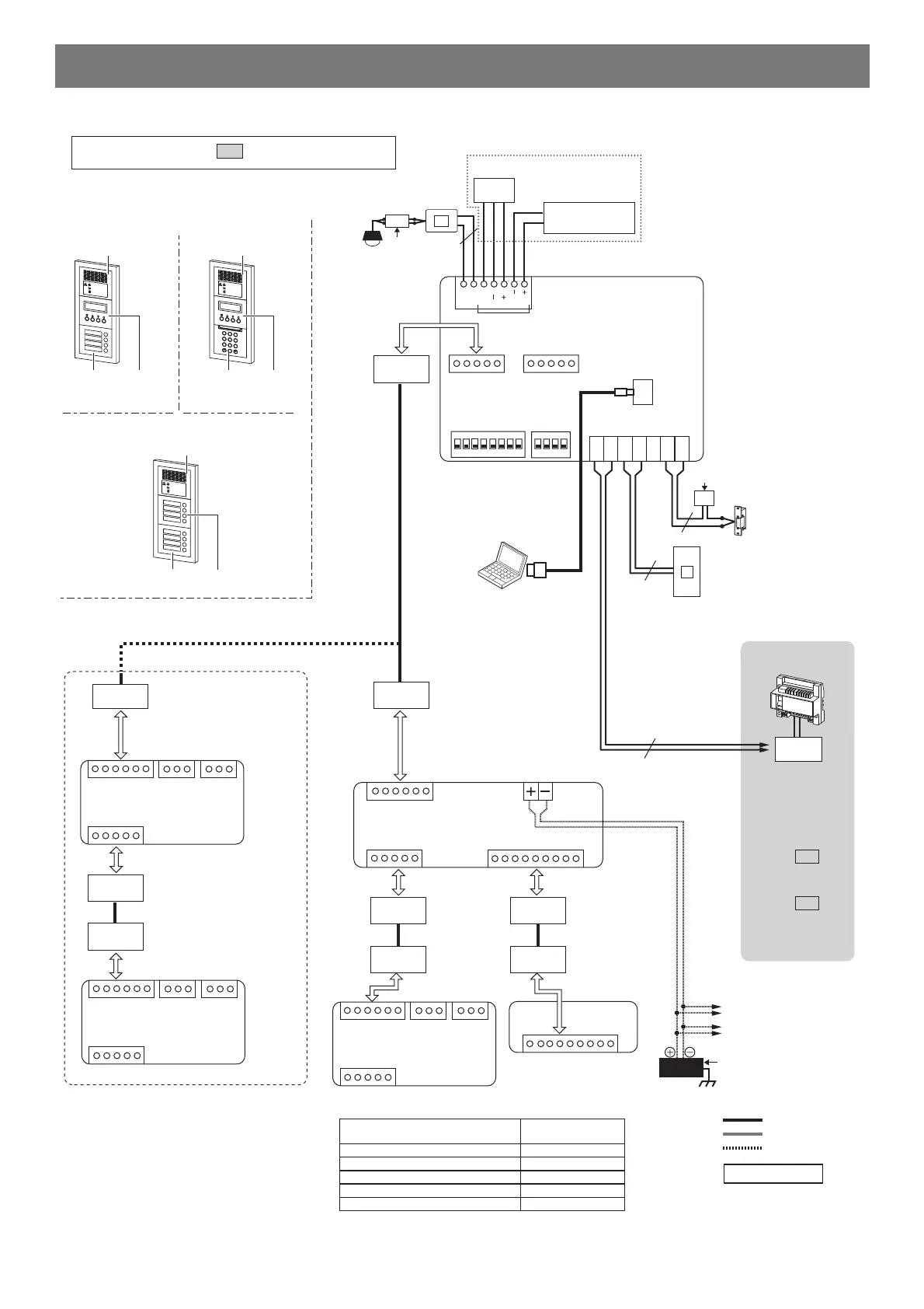
■ Modular type (audio only)
5P
6P
CN100
CN100
CN11
CN1
CN1
CN2
CN3
CN4
CN1
CN2
CN3
CN4
CN1
CN2
CN3
CN4
ELM
ELC
ELB
BP
BP
R2
R1
USB
CN2
CN3
CN1
ON
SW3
SW2
123
4
ON
1 2 3
4
5 6 7
8
D
D
GND
RY
RY
SP
SP
5P
6P
6P
5P
6P
9P
9P
PT
PT
2
B
A
C
3
E
D
F
5
K
J
L
8
U
T
V
4
H
G
I
6
N
M
O
1
0
9
Y
X
W
Z
7
R
Q
P
S
AC
GT-SW/GT-AD
GT-SW/GT-AD
GT-BC
DP
NP
NP
1P
NP
NP
GT-NSB
GT-DB
GT-SW
GT-SW
GT-DB
GT-SW
GT-NSB
GT-DB
GT-10K
AC
AC
PS24
Modular unit combination example
Audio module GT-DB(-V, -VN)
Magnetic loop
module
OR
10-key module
(10 keys)
GT-10K
Call switch module GT-SW/
Address module GT-AD
Name scroll module GT-NSB
Another entrance station
Another entrance station
Green
Purple
Yellow
Blue
Red
Orange
Brown
External
signal
relay
VIGIK
NP: Non-polarized
: Audio signal line
: Video signal line
: Power supply line
* Connect to the
bus control units.
Standard
system:
section
4-1
Expanded
system:
section
4-5
External door release button
(third party product)
(*3)
Door release
(third party product)
(*1)
(*2)
(*1): N/C (Normally Closed) [ELB, ELC]
N/O (Normally Open) [ELM, ELC]
Less than AC/DC 24V, 4A (resistive load)
(*2): GT-DB-V and GT-DB-VN only.
PC
(third party product)
NOTE: Refer to section
5-1
for the switch settings.
GT-RY
(*3): Input specifi cations
Input method
N/O (Normally Open)
contact
Detection confi rmation time 100 ms or more
Closed contact resistance 1 k or less
Open contact resistance 50 k or more
Terminal short current 10 mA or less
Open circuit voltage between terminals 3.3 V DC or less
(Please note that images and terminal position in this manual may differ from the actual product.)
GT-DB-V, GT-DB-VN only
Bekijk gratis de handleiding van Aiphone GT-104HB, stel vragen en lees de antwoorden op veelvoorkomende problemen, of gebruik onze assistent om sneller informatie in de handleiding te vinden of uitleg te krijgen over specifieke functies.
Productinformatie
Merk | Aiphone |
Model | GT-104HB |
Categorie | Niet gecategoriseerd |
Taal | Nederlands |
Grootte | 9766 MB |
Caratteristiche Prodotto
Kleur van het product | Beige |
Merkcompatibiliteit | Aiphone |
Compatibiliteit | GF-4F |
Type product | Opbouwdoos |