Aiphone GT-104HB handleiding
Handleiding
Je bekijkt pagina 10 van 52

- 10 -
2
B
A
C
3
E
D
F
5
K
J
L
8
U
T
V
4
H
G
I
6
N
M
O
1
0
9
Y
X
W
Z
7
R
Q
P
S
PS24
PS24
PS24
PS24
[1]
[4] [10][2]
[1]
[1]
[8]
[8]
[9]
[9]
[12]
[25]
[26]
[28]
[27]
[7]
[29]
[31]
[30]
GT-BC
GTW-LC
GT-BCXB-N
GT-VBX
GT-MKB-N
PS24
[14]
GT-BC
[11]
DP
DP
DP
GT-VBC
(
*
1)
GT-VBC
(
*
1)
PS24
[8]
GT-BC
Expanded system
Entrance station
PS24
PS24
PS24
[7]
[7]
[27]
[7]
[7]
[7]
GT-VBX
GT-VBC
GT-VBC
GT-VBC
PS24
PS24
GT-VBC
GT-VBC
MODE
EXPAND
STANDARD
MODE
EXPAND
STANDARD
MODE
EXPAND
STANDARD
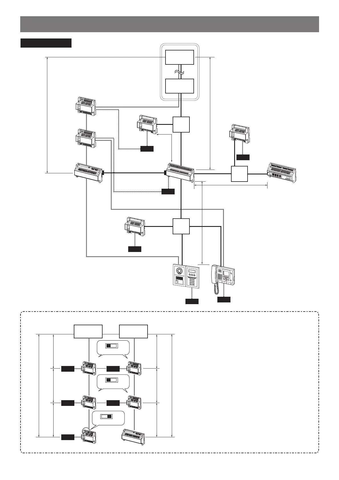
The GT-VBC can be used as an extension adaptor (2
units per sub trunk line).
To do so, set the setting switch MODE to "EXPAND".
Even if two units are used as extension adaptors (MODE:
EXPAND), the wiring distance to the farthest residential/
tenant station from the GT-VBC (MODE: STANDARD) or
GT-VBX is limited to 300 m (980').
300 m
(980')
300 m
(980')
Standard system Expanded system
Residence/
tenant
Residence/
tenant
Residence/
tenant
Residence/
tenant
(
*
1): When using the GT-VBC as an extension adaptor
Bekijk gratis de handleiding van Aiphone GT-104HB, stel vragen en lees de antwoorden op veelvoorkomende problemen, of gebruik onze assistent om sneller informatie in de handleiding te vinden of uitleg te krijgen over specifieke functies.
Productinformatie
| Merk | Aiphone |
| Model | GT-104HB |
| Categorie | Niet gecategoriseerd |
| Taal | Nederlands |
| Grootte | 9766 MB |
Caratteristiche Prodotto
| Kleur van het product | Beige |
| Merkcompatibiliteit | Aiphone |
| Compatibiliteit | GF-4F |
| Type product | Opbouwdoos |







