Aiphone GT-102HB handleiding
Handleiding
Je bekijkt pagina 7 van 52

- 7 -
PS24
PS24
AIP
H
O
NE
JF
-
DV
F
JK-DA JK-DV JK-DVF
PS24
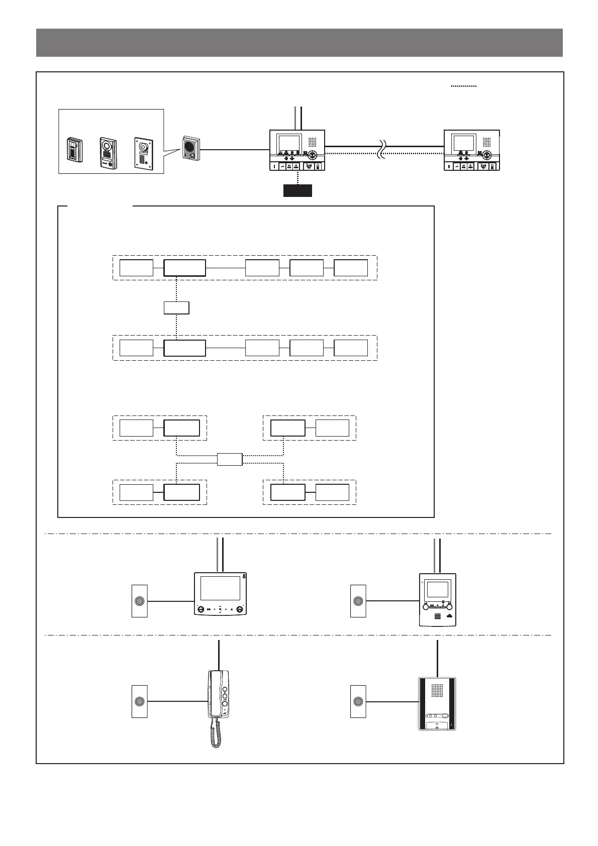
Residential/tenant station
GT-2C-L, GT-2C
Residential/tenant station
GT-1C7, GT-1C7-L
Sub residential/tenant station
GT-2H-L, GT-2H
Residential/tenant station
GT-1M3, GT-1M3-L
Residential/tenant station
GT-1D
Residential/tenant station
GT-1A
Residence/tenant (for GT-2C-L or GT-2C)
Video door station
Power supplies
[When sub residential/tenant stations are connected]
[When sub residential/tenant stations are not connected]
Residence/
tenant 1
Residence/
tenant 1
Residence/
tenant 3
Residence/
tenant 2
Residence/
tenant 2
Residence/
tenant 4
Door
station
Door
station
Door
station
GT-2C(-L)
GT-2C(-L)
GT-2C(-L)
GT-2H(-L)
GT-2H(-L) GT-2H(-L)
GT-2C(-L)
GT-2C(-L)
GT-2C(-L)
GT-2H(-L)
GT-2H(-L)
GT-2H(-L)
Door
station
Door
station
Door
station
One power supply can be used to power 2 residences/tenants if sub stations are used.
One power supply can be used to power up to 4 residences/tenants if no sub stations are used.
Door station
or doorbell
GT-D
Doorbell Doorbell
Doorbell Doorbell
Residence/tenant (for GT-1C7,
GT-1C7-L, GT-1M3, and GT-1M3-L)
Residence/tenant
(for GT-1D and GT-1A)
: Power supply line
Bekijk gratis de handleiding van Aiphone GT-102HB, stel vragen en lees de antwoorden op veelvoorkomende problemen, of gebruik onze assistent om sneller informatie in de handleiding te vinden of uitleg te krijgen over specifieke functies.
Productinformatie
| Merk | Aiphone |
| Model | GT-102HB |
| Categorie | Niet gecategoriseerd |
| Taal | Nederlands |
| Grootte | 9766 MB |
Caratteristiche Prodotto
| Kleur van het product | Bruin |
| Aantal per verpakking | 1 stuk(s) |
| Merkcompatibiliteit | Aiphone |
| Type product | Opbouwdoos |







