Aiphone GF-3F handleiding
Handleiding
Je bekijkt pagina 30 van 52

- 30 -
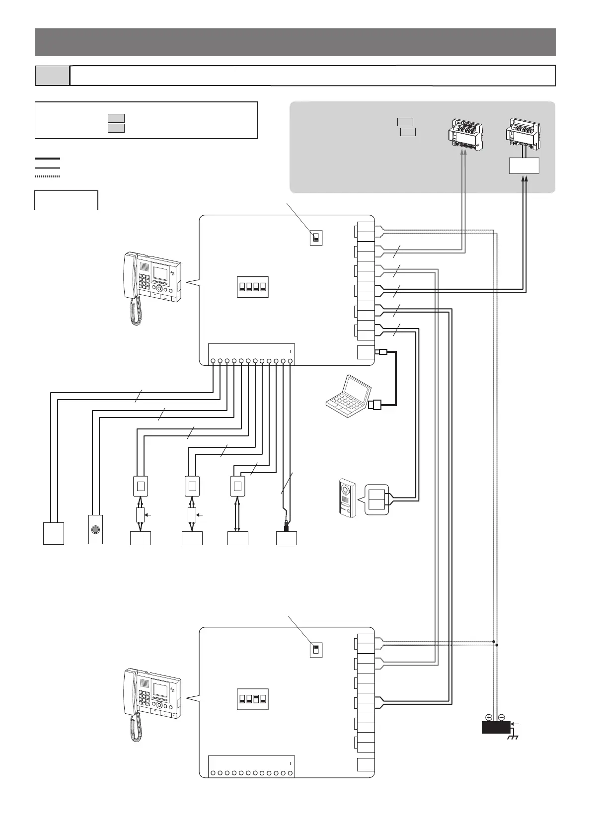
Guard station4-2
V+
V
RYK
RYK
RYV
RYV
RYC
RYC
CE
C
SW
SW
OUT INOUT
DOOR
IN
DC24V
OUT INOUT
DOOR
IN
DC24V
B1
A
B
B2
B1
B2
R1
R2
R1
R2
A1
A2
USB
+
-
CN1
SW2
ON
SW1
1 2 3
4
B1
A
B
B2
B1
B2
R1
R2
R1
R2
A1
A2
USB
+
-
CN1
SW2
ON
SW1
1 2 3
4
A1
A2
V+
V
RYK
RYK
RYV
RYV
RYC
RYC
CE
C
SW
SW
ACAC
1P
NP
1P
NP
1P
NP
1P
NP
1P
NP
NP
NP
NP
NP
NP
P
GT-VBC
GT-BC
DP
AC
PS24
* Connect to the bus control units.
Standard system: section
4-1
Expanded system: section
4-5
Guard station 1
GT-MKB-N
Guard station 2
GT-MKB-N
External
signal
relay
GT-RY
External
signal
relay
GT-RY
External
signal
relay
GT-RY
Doorbell
Video door station
JO-DV
PC
(third party product)
Monitor/DVR
(third party product)
Video
output
contact
Buzzer
etc.
Buzzer
etc.
Brown
Red
Red
Orange
Blue
Gray
Yellow
Red
Black
Green
Purple
White
Option
button
output
: Audio signal line
: Video signal line
: Power supply line
Termination setting:
For terminating guard station,
set SW1 to "A".
NOTES:
• Refer to section
4-7
for option connector details.
• Refer to section
5-1
for the switch settings.
(Please note that images and terminal position in this manual may differ from the actual product.)
Set SW1 to "B".
P: Polarized
NP: Non-polarized
Bekijk gratis de handleiding van Aiphone GF-3F, stel vragen en lees de antwoorden op veelvoorkomende problemen, of gebruik onze assistent om sneller informatie in de handleiding te vinden of uitleg te krijgen over specifieke functies.
Productinformatie
Merk | Aiphone |
Model | GF-3F |
Categorie | Niet gecategoriseerd |
Taal | Nederlands |
Grootte | 9766 MB |
Caratteristiche Prodotto
Kleur van het product | Bruin |
Gewicht | - g |
Aantal per verpakking | 1 stuk(s) |
Merkcompatibiliteit | Aiphone |
Type product | Frame |