Aiphone GF-2B handleiding
Handleiding
Je bekijkt pagina 33 van 52

- 33 -
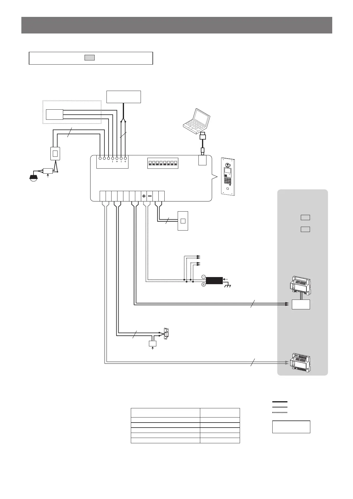
ELM ELC ELB
A2 BPBPA1 R2R1
USB
CN1 SW1
ON
1 2 3
4
5 6 7
8
DC24V
D
D
GND
V
V
RY
RY
PS24
AC
PT
PT
P
NP
NP
AC
1P
NP
NP
1P
NP
GT-VBC
GT-BC
DP
AC
External
signal
relay
VIGIK
■ All-in-one type
* Connect to the bus
control units.
Standard system:
section
4-1
Expanded system:
section
4-5
Surveillance
camera
All-in-one entrance station
GT-DMB-LVN/GT-DMB-N
Another entrance station
Another entrance station
Green
Purple
Ye l l o w
Blue
Red
Orange
Brown
NP: Non-polarized
P: Polarized
: Audio signal line
: Video signal line
: Power supply line
External door
release button
(third party product)
(*2)
Door release
(third party product)
(*1)
(*1): N/C (Normally Closed) [ELB, ELC]
N/O (Normally Open) [ELM, ELC]
Less than AC/DC 24V, 4A (resistive load)
PC
(third party product)
NOTE: Refer to section
5-1
for the switch settings.
GT-RY
(*2): Input specifi cations
Input method
N/O (Normally Open)
contact
Detection confi rmation time 100 ms or more
Closed contact resistance 1 k or less
Open contact resistance 50 k or more
Terminal short current 10 mA or less
Open circuit voltage between terminals 3.3 V DC or less
(Please note that images and terminal position in this manual may differ from the actual product.)
GT-DMB-LVN only
Bekijk gratis de handleiding van Aiphone GF-2B, stel vragen en lees de antwoorden op veelvoorkomende problemen, of gebruik onze assistent om sneller informatie in de handleiding te vinden of uitleg te krijgen over specifieke functies.
Productinformatie
| Merk | Aiphone |
| Model | GF-2B |
| Categorie | Niet gecategoriseerd |
| Taal | Nederlands |
| Grootte | 9766 MB |
Caratteristiche Prodotto
| Kleur van het product | Zwart |
| Gewicht | - g |
| Montagewijze | Muur |
| Aantal per verpakking | 1 stuk(s) |
| Merkcompatibiliteit | Aiphone |







