Advantech WISE-4610 handleiding
Handleiding
Je bekijkt pagina 36 van 64

WISE-4610(P) User Manual 26
3.10 Power Supply Wiring
WISE-4610 modules are designed to support a standard unregulated 24-V
DC
indus-
trial power supply. However, they can also accept 10 ~ 50 V
DC
input with a peak-to-
peak power ripple of 200 mV. The immediate ripple voltage should be maintained at
10 ~ 50 V
DC
. The screw terminals labeled “+Vs” and “-Vs” are for the power supply
wiring. Refer to Section 3.6 “I/O Pin Assignment” for more details.
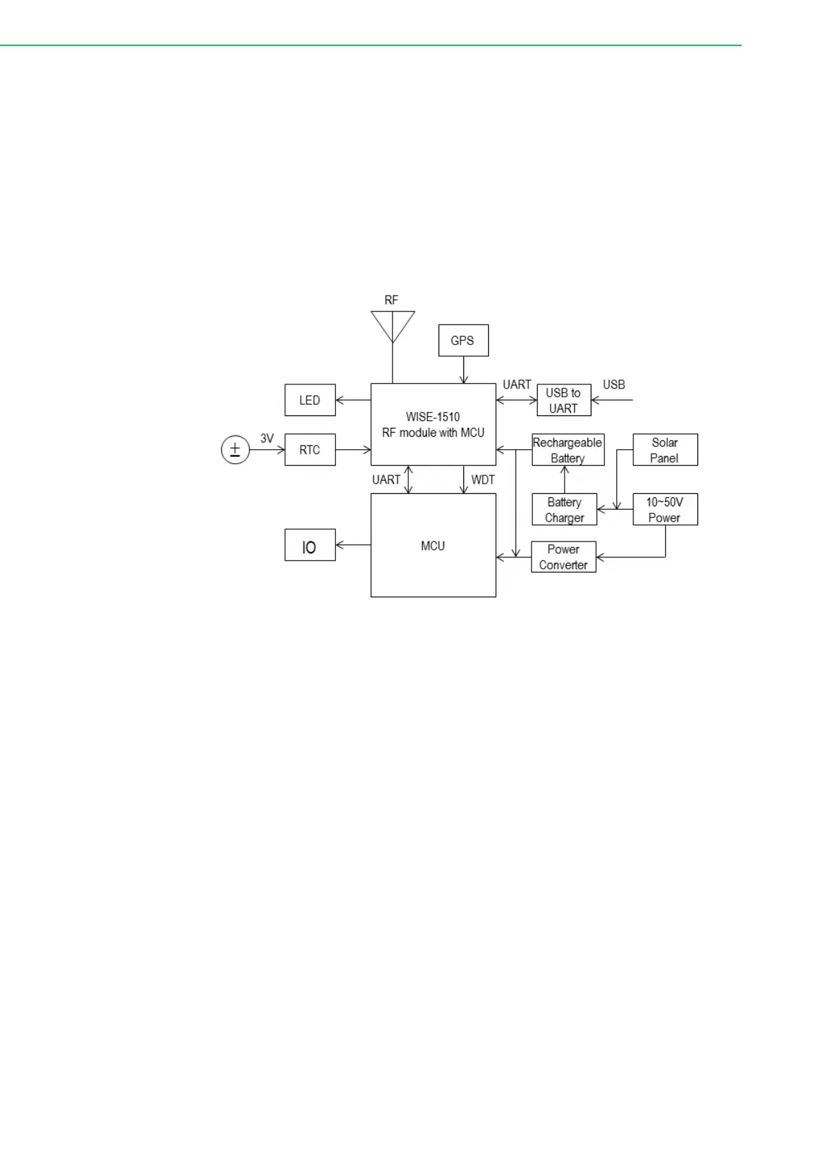
3.11 Block Diagram
Figure 3.8 WISE-4610 Block Diagram
3.12 Configuration Interface
Interface: USB virtual COM port
Connector: Micro-B USB
USB Chipset: Silicon Labs CP210x
Driver: CP210x USB-to-UART bridge VCP drivers
Bekijk gratis de handleiding van Advantech WISE-4610, stel vragen en lees de antwoorden op veelvoorkomende problemen, of gebruik onze assistent om sneller informatie in de handleiding te vinden of uitleg te krijgen over specifieke functies.
Productinformatie
Merk | Advantech |
Model | WISE-4610 |
Categorie | Niet gecategoriseerd |
Taal | Nederlands |
Grootte | 6148 MB |