Advantech WISE-4610 handleiding
Handleiding
Je bekijkt pagina 33 van 64

23 WISE-4610(P) User Manual
Chapter 3 Hardware Specifications
3.8 Application Wiring of WISE-S600 I/O Module
with M12 Connectors
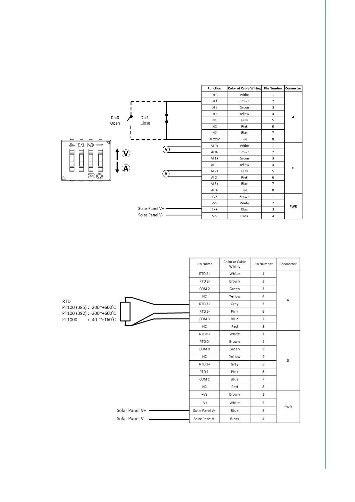
3.8.1 WISE-S614 I/O Application Wiring
Figure 3.2 WISE-S614 I/O Application Wiring
3.8.2 WISE-S615 I/O Application Wiring
Figure 3.3 WISE-S615 I/O Application Wiring
Bekijk gratis de handleiding van Advantech WISE-4610, stel vragen en lees de antwoorden op veelvoorkomende problemen, of gebruik onze assistent om sneller informatie in de handleiding te vinden of uitleg te krijgen over specifieke functies.
Productinformatie
Merk | Advantech |
Model | WISE-4610 |
Categorie | Niet gecategoriseerd |
Taal | Nederlands |
Grootte | 6148 MB |