Advantech USB-4702 handleiding

26 pagina's
PDF beschikbaar

Handleiding

Je bekijkt pagina 21 van 26
15 Chapter 3
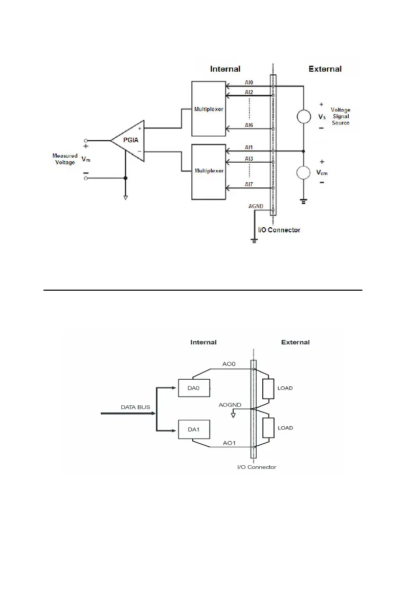
Figure 3.3: Differential Input Channel Connection
3.4 Analog Output Connections (Voltage)
USB-4702 provides two analog output channels, AO0 and AO1. Figure
3.4 shows how to make analog output connections on USB-4702.
Figure 3.4: Analog Output Channel Connections

Bekijk gratis de handleiding van Advantech USB-4702, stel vragen en lees de antwoorden op veelvoorkomende problemen, of gebruik onze assistent om sneller informatie in de handleiding te vinden of uitleg te krijgen over specifieke functies.

Productinformatie

MerkAdvantech
ModelUSB-4702
CategorieNiet gecategoriseerd
TaalNederlands
Grootte1820 MB