Advantech TPC-317 EHL handleiding
Handleiding
Je bekijkt pagina 30 van 48

TPC-300 Elkhart Lake Series User Manual 18
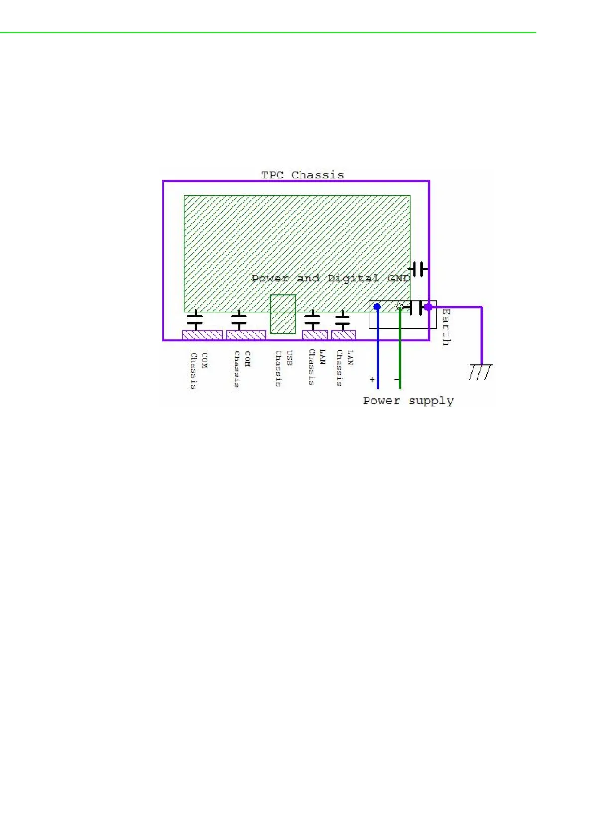
2.5 Power/Digital Ground and Earth/Ground
The power/digital ground blocks external electrical interference to the chassis,
thereby ensuring that bad grounding does not cause electric shocks. This is known
as Level 1 isolation, which is not typically implemented in consumer-grade devices.
TPC chassis and ground (Power Pin 3) are short.
TPC chassis and power/digital ground are open.
Figure 2.9 TPC Chassis and Power Supply
The TPC devices are industrial-grade products. The hardware is designed to protect
against external interference and eliminate the risk of electric shock. To ensure isola-
tion protection, the following must be considered:
The Ethernet connection is isolated. LAN connections will not affect the isolation
design.
General USB devices are built to minimize EMI and ESD issues, such as a
chassis or digital short. The TPC devices block EMI and ESD, protecting USB
devices from damage. The devices are designed to use Power GND as a vent
path to ensure Power GND and Chassis GND do not differ abnormally.
For various COM port designs, long-distance connections can cause voltage dif-
ferences between the two COM port chassis. Therefore, the shell ground of the
cable must be isolated to the signal digital ground.
Use of a third-party device or cable can disrupt Level 1 isolation. In such circum-
stances, users should short all grounds (Power GND/Digital GND/Earth GND) and
ensure adequate earth/ground connection.
Bekijk gratis de handleiding van Advantech TPC-317 EHL, stel vragen en lees de antwoorden op veelvoorkomende problemen, of gebruik onze assistent om sneller informatie in de handleiding te vinden of uitleg te krijgen over specifieke functies.
Productinformatie
Merk | Advantech |
Model | TPC-317 EHL |
Categorie | Niet gecategoriseerd |
Taal | Nederlands |
Grootte | 5951 MB |